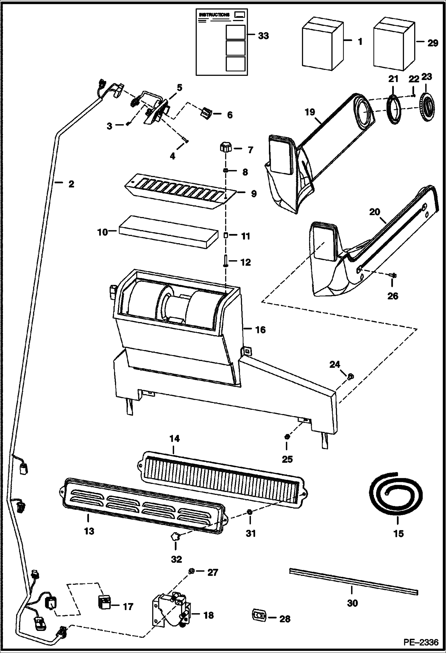
Запчасти Bobcat S-Series HEATER & A/C (Heater Kit) (For Threaded Heater Valve) ACCESSORIES & OPTIONS

Схема запчастей Bobcat S-Series - HEATER & A/C (Heater Kit) (For Threaded Heater Valve) ACCESSORIES & OPTIONS
FIT
1:1
100%

Артикул

Название

Примечание

Количество

1

HEATER KIT See Illustration HEATER & A/C/ PE2465 NLA - Order 7108167 Kit - Was 6735773 - B,D

2

6725933

HARNESS hvac-W/Ref. 17

2

6725273

HARNESS AHC

3

6669091

CLIP retainer

4

6669224

BOLT

5

6674228

PANEL control

5

6640699

CONNECTOR

5

6718579

DECAL

5

6718887

PANEL A/C

5

6675176

SWITCH blower

5

6675846

POTENTIOMETER

6

6675181

PLUG

8

83D4

NUT 10

9

6718175

SCREEN filter

10

6678207

FILTER recirculation

11

6718837

SPACER

12

37C424

BOLT

13

6727847

COVER

14

6677983

FILTER, AIR HEATER CAB

15

6513152

SEAL bulk - sold per foot

16

HEATER See Illustration HEATER & A/C/ PE1143

17

6670312

SWITCH, MAGNETIC relay

18

7100019

VALVE threaded hose connectors

18

6640699

CONNECTOR

18

BRACKET NLA - Was 6675175 - A

18

6675172

BRACKET

18

6675173

ACTUATOR pig tail

18

6680054

ACTUATOR square plug

18

6675174

BODY

19

6735246

DUCT LH

20

6735245

DUCT RH

21

6675179

FLANGE

22

57G608

SCREW

23

6674231

VENT, HEATER CAB ROUND round

24

37C512

BOLT

25

59D5

NUT 5

26

35C410

BOLT 5

27

84G3110

SCREW

28

774220

NUT spring

29

7121572

DECAL PACKAGE decal - Was 6725513 - A

30

SEAL NLA - 16.25''(412,8 mm) long - Order Ref. 15

31

6676516

NUT push

32

6726386

KNOB

33

6900850

INSTRUCTIONS

33

6902356

INSTRUCTIONS 800 Series W/Kubota engine

Выбрано товаров: 0