Запчасти Bobcat S-Series SEAT (Suspension - Sears) ACCESSORIES & OPTIONS

Схема запчастей Bobcat S-Series - SEAT (Suspension - Sears) ACCESSORIES & OPTIONS
FIT
1:1
100%

Артикул

Название

Примечание

Количество

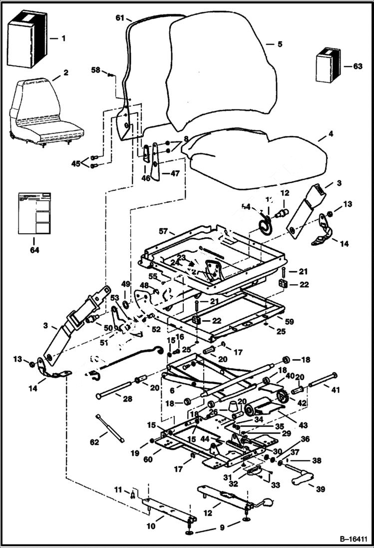
1

KIT NLA - vinyl seat - Order Ref. 2, 3 & 64

1

KIT NLA - fabric seat - Order Ref. 2, 3 & 64

2

6675595

SEAT vinyl - LH recliner lever

2

6675596

SEAT fabric - LH recliner lever

3

6675170

SEAT BELT lap

4

6675320

SEAT fabric

4

6675322

SEAT vinyl

5

6675319

SEAT backrest - fabric - W/Ref. 58

5

6675321

SEAT backrest - vinyl - W/Ref. 58

6

6675317

SCISSORS

7

6675323

KNOB recliner

8

NUT NSS

9

619021

WASHER, 5

10

SLIDE NSS - slave

11

BOLT NSS

12

SLIDE NSS - locking

13

NUT NSS

14

BELT NSS - tether

15

WASHER NSS - cross pivot

16

BOLT NSS - pivot

17

RING NSS - retaining

18

ROLLER NSS

19

NUT NSS

20

BUSHING NSS - wt adjustment

21

RIVET NSS

22

BLOCK NSS - up stop

23

WASHER NSS

24

STOP NSS - armrest

25

PUSHNUT NSS

26

BUMPER NSS

27

NUT NSS

28

SHAFT NSS - bearing

29

RIVET NSS - female snap

30

INDICATOR NSS - weight

31

RIVET NSS - male snap

32

DIAL NSS - weight indicator

33

POP RIVET NSS

34

SPACER NSS

35

NUT NSS

36

BEARING NSS - thrust

37

RACE NSS - thrust

38

SHEAR PIN NSS

39

HANDLE NSS - weight adjustment

40

PLATE NSS - wear

41

SHAFT NSS - torsion

42

DRIVE GEAR NSS

43

BUSHING NSS - torsion

44

RACK NSS - wt adjustment

45

BOLT NSS

46

SPACER NSS - recliner

47

BRACKET NSS - back tilt

48

NUT NSS

49

WASHER NSS - plastic

50

BOSS NSS - back pan pivot

51

HANDLE NSS - recliner (RH)

52

LATCH NSS - recliner

53

SPRING NSS - extension

54

SPRING NSS - tilt latch

55

CLIP NSS

56

WIRE NSS - boot support

57

SUSPENSION NSS - boot

58

SCREW NSS

59

HOUSING NSS - upper

60

HOUSING NSS - lower

61

BACK PAN NSS

62

6676338

GAS SPRING

63

6675309

KIT slides - Ref. 8-12

63

6675310

KIT tether belt - Ref. 9, 13 & 14

63

6675311

KIT suspension rollers & bearing - Ref. 15-20

63

6675312

KIT suspension bumpers & stops - Ref. 21-27

63

6675313

KIT rear tube - Ref. 17, 20 & 28

63

6675314

KIT weight adjustment indicator - Ref. 29-33

63

6675315

KIT weight adjustment handle - Ref. 34-39

63

6675316

KIT weight adjustment - Ref. 17, 20 & 40-44

63

6675318

KIT RH recliner - Ref. 7, 8 & 45-54

63

6676034

KIT LH recliner - Ref. 7, 8 & 45-54

63

6675308

KIT suspension boot - Ref. 55-57

64

6900861

INSTRUCTIONS

Выбрано товаров: 78