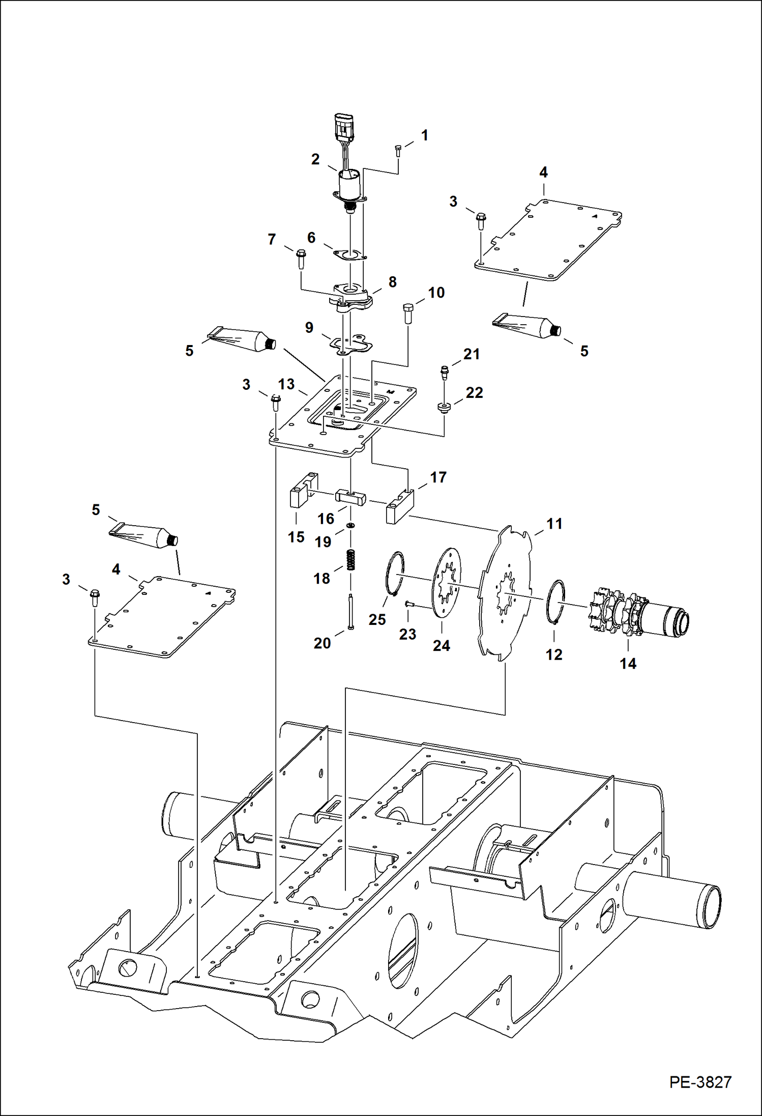
Запчасти Bobcat S-Series DISC BRAKE (2-Speed Motor) DRIVE TRAIN

Схема запчастей Bobcat S-Series - DISC BRAKE (2-Speed Motor) DRIVE TRAIN
FIT
1:1
100%

Артикул

Название

Примечание

Количество

1

17C412

BOLT 5

2

6681512

SOLENOID

3

84G3716

SCREW 5

4

7129987

COVER

5

6685372

SEALANT, GASKET LIQUID 10.1 OZ tube - 0.57 kg (20 oz)

6

6706737

GASKET

7

84G3720

BOLT

8

6706718

MOUNT

9

6708016

GASKET

10

47C820

BOLT

11

7120107

BRAKE disc

12

6658672

SNAP RING

13

7156265

COVER M stamped

14

7120109

SHAFT double snap ring groove

15

6719056

BLOCK guide - LH

16

6714278

WEDGE, LOCK TRACTION

17

6719057

BLOCK guide - RH

18

6708018

SPRING

19

25E13

WASHER 5

20

6708267

BOLT

21

6680970

BREATHER

22

6553411

BUSHING

23

6668955

POP RIVET

24

7120108

DISC isolator

25

6691500

SNAP RING

Выбрано товаров: 25