Качественные детали и логистика
Оригинальные и аналоговые запчасти с доставкой по России, Казахстану и Беларуси
©2022 PartSell ООО "Система" ИНН 2463123282 ОГРН 1212400004838
Центральный офис: г. Красноярск, Академика Киренского, д.87, пом.4
Телефон: 8 (800) 777-65-74 Email: zakaz@partsell.ru
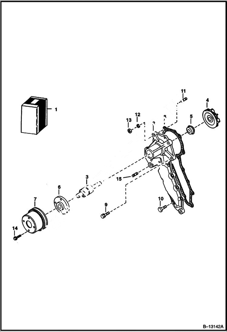
WATER PUMP (Kubota - V2003T)
№
Артикул
Название
Примечание
Количество
1
6681879
WATER PUMP
2
BODY NLA
3
3974991
BEARING
4
6653944
IMPELLER
6667460
IMPELLER for one piece seal Ref. 5
5
6653945
SET SEAL
6667465
SEAL one piece
6
3974992
FLANGE
7
6674169
PULLEY water pump - Was 6598155 - A
8
6666804
GASKET
9
4CM828
BOLT
10
6652580
11
3974267
STUD Was 6653946 - A
12
6EM80
WASHER, SPRING
13
6652792
NUT
14
29CM612
BOLT, FLANGED Was 6652762 - A
15
6683174
ROLL PIN
Выбрано товаров: 0