Запчасти Bobcat S-Series CYLINDER HEAD (Kubota - V2203 2EB - Tier II Replacement) REPLACEMENT ENGINE

Схема запчастей Bobcat S-Series - CYLINDER HEAD (Kubota - V2203 2EB - Tier II Replacement) REPLACEMENT ENGINE
FIT
1:1
100%

Артикул

Название

Примечание

Количество

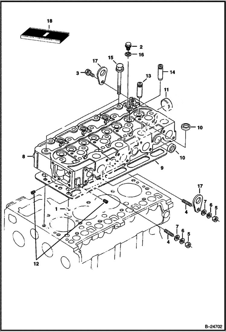
1

3974038

O RING

2

6655160

PLUG

3

6667421

BOLT

4

6652670

STUD

5

6652792

NUT

6

6667422

WASHER spring

7

1EM80

WASHER Was 2EM8 - A

8

6686996

HEAD cylinder - W/Ref. 10 - 13

8

6686996REM

HEAD, KUBOTA V2203

9

6655159

GASKET cylinder head

10

3974432

PLUG sealing - Was 6680665 - A

11

6680666

PLUG sealing

12

6598116

PLUG

13

6969990

GUIDE exhaust valve - Was 6653803 - A

14

6655154

GUIDE intake valve

15

6655158

BOLT

16

6655161

WASHER W/rubber

17

3974882

HOOK

18

GASKET KIT upper

Выбрано товаров: 19