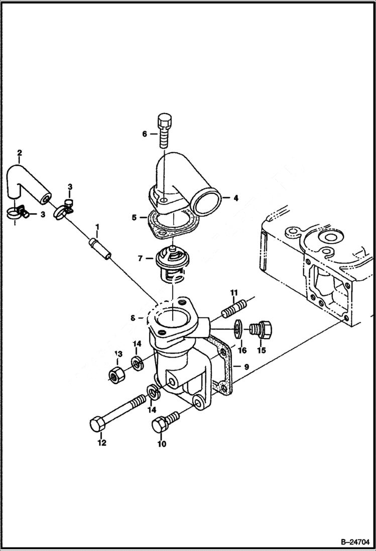
Запчасти Bobcat S-Series WATER FLANGE & THERMOSTAT (Kubota - V2203 2EB - Tier II Replacement) REPLACEMENT ENGINE

Схема запчастей Bobcat S-Series - WATER FLANGE & THERMOSTAT (Kubota - V2203 2EB - Tier II Replacement) REPLACEMENT ENGINE
FIT
1:1
100%

Артикул

Название

Примечание

Количество

1

6655880

PIPE water return

2

6686988

PIPE water return

3

3974679

BAND pipe

4

6651489

COVER thermostat

5

6684863

GASKET thermostat cover

6

1CM835

BOLT

7

6674172

THERMOSTAT

8

6674167

FLANGE W/Ref. 1

9

6666802

GASKET water flange - Was 6684860 - A

10

4CM822

BOLT

12

1CM865

SCREW

13

6652792

NUT

14

6667422

WASHER

15

6649536

PLUG

16

6653562

GASKET

Выбрано товаров: 0