/ / / / / / / / ROCKER ARM COVER (Kubota - V2003-T-2EB - Tier II Replacement)
Запчасти Bobcat S-Series ROCKER ARM COVER (Kubota - V2003-T-2EB - Tier II Replacement) REPLACEMENT ENGINE
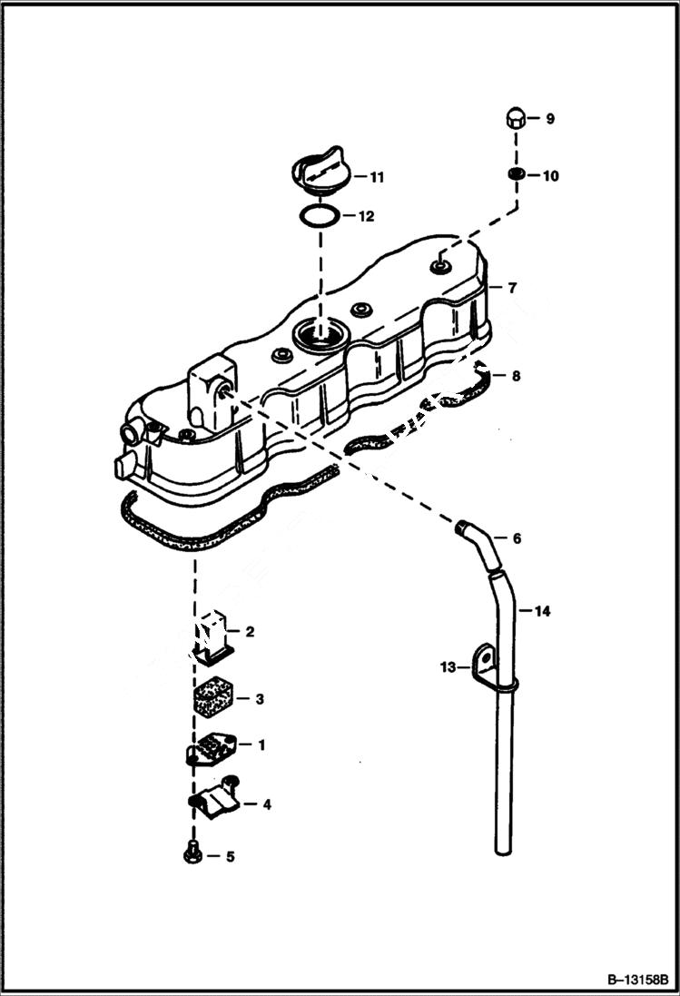
1
3974924
PLATE element
2
3974925
PLATE element
3
3974926
BREATHER breather
4
3974927
SHIELD breather
5
6667426
SCREW W/Washer
6
6652624
JOINT breather pipe
7
6655175
COVER valve
8
6598136
GASKET, COVER VALVE
9
3974923
NUT cap
10
3974095
MET-GASK
11
6685924
CAP oil filler - Was 6652653 - A
12
6684782
O-RING
13
3974931
CLAMP pipe
14
6686994
PIPE breather
Выбрано товаров: 0