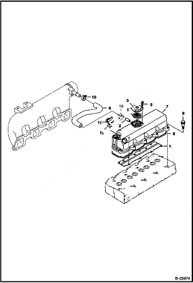
Запчасти Bobcat S-Series ROCKER ARM COVER (Kubota - V2203MDI - Tier II) POWER UNIT

Схема запчастей Bobcat S-Series - ROCKER ARM COVER (Kubota - V2203MDI - Tier II) POWER UNIT
FIT
1:1
100%

Артикул

Название

Примечание

Количество

1

SHIELD  NLA - breather - Order Ref. 7 - Was 6684779 - A

2

6655880

PIPE

3

6969803

COVER, BREATHER Was 6685086 - A

4

6685087

VALVE

5

3975436

SCREW W/washer - Was 3974928B - A

6

6685524

TUBE, BREATHER breather

7

6685085

COVER valve

8

6684780

GASKET

9

6684781

BOLT

10

3974679

BAND pipe

11

6685924

CAP oil filler - Was 6652653 - A

12

6684782

O-RING

Выбрано товаров: 12