Запчасти Bobcat S-Series FUEL SYSTEM MAIN FRAME

Схема запчастей Bobcat S-Series - FUEL SYSTEM MAIN FRAME
FIT
1:1
100%

Артикул

Название

Примечание

Количество

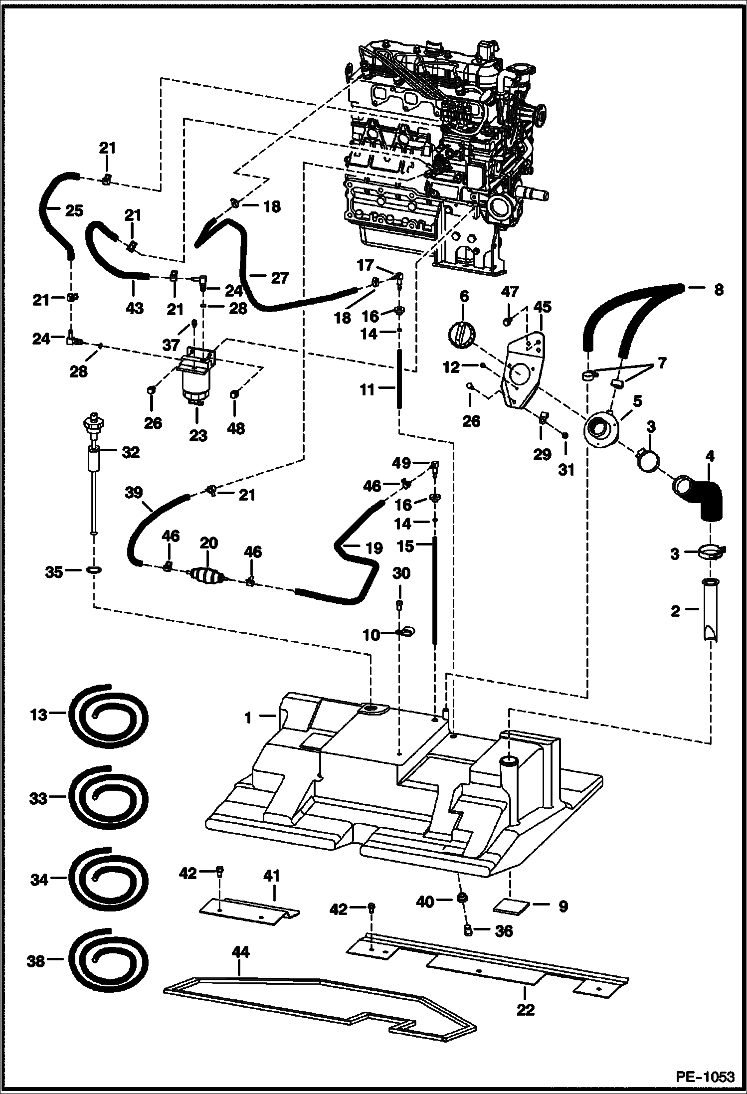
1

TANK NLA - Use W/Ref. 22 - Order 6736660 Tank & Ref. 41 - Was 6717067 - A

1

6736660

TANK, FUEL Use W/Ref. 41

2

7120881

SCREEN, FILLER Was 6569219 - A

3

42H32

HS CLAMP5 worm gear

3

5HM58

CLAMP constant tension

4

6717704

HOSE

5

6701449

FILLER TUBE

6

6661114

CAP. DIESEL green

6

CAP NLA - locking - W/Key - Code GC020

6

6654374

KEY Code GC020

6

6661696

CAP, FUEL LOCKING locking - W/Key - Code PK510

6

6587458

KEY Code PK510

7

42H10

HOSECLAM5 worm gear

7

5HM24

CLAMP constant tension

8

HOSE NLA - 24'' (609,6 mm) long - Order Ref. 13

9

6578278

PAD self adhesive one side

10

31H27

CLIP

11

6729854

TUBE 12.5'' (317,5 mm) long

12

6706517

SCREW

13

6578172

HOSE bulk - sold per foot

14

6661213

RING, COMPRESSION

15

6729853

HOSE 10.25'' (260,4 mm) long

16

6553411

BUSHING 0.38'' ID

17

7101291

ELBOW Was 6681462 - A

18

42HS04

CLAMP, HOSE

19

HOSE NLA - 35'' (889,9 mm) long - Order Ref. 33

20

6657734

PUMP, PRIMER HAND 124 mm (4.88'') long

21

5HM14

CLAMP

22

6717504

BRACKET Use W/Ref. 1 (NLA/6717067 Tank)

23

6667353

FILTER ASSY W/Ref. 37

23

6667352

FILTER, FUEL W/SEPARATOR 12

23

72F1

FITTING

24

6715183

ELBOW W/Ref. 28

25

HOSE See Illustration FUEL & INJECTION PUMP/ B13157A See Illustration FUEL & INJECTION PUMP/ B13157 NLA - 13'' (330,2 mm) long - Order Ref. 34 - connects to Ref. 12

26

84G3112

BOLT 5

27

HOSE See Illustration FUEL & INJECTION PUMP/ B13157A See Illustration FUEL & INJECTION PUMP/ B13157 NLA - 53'' (1346,2 mm) long - Order Ref. 38 - Connects to Ref. 9

28

99K5

O-RING

29

30H22

CLIP

30

17C610

BOLT

31

85D5

NUT 5

32

7179837

SENSOR FUEL W/Ref. 35 - Was 6680436 - A

33

6577821

HOSE bulk - sold per foot

34

6577822

HOSE bulk - sold per foot

35

6717579

GASKET

36

7203382

PLUG, STEEL fuel drain - .75'' shoulder - Was 6717401 - A

37

6658180

PLUG, BLEED

38

6578169

HOSE bulk - sold per foot - 0.19'' ID

39

HOSE See Illustration FUEL & INJECTION PUMP/ B13157A See Illustration FUEL & INJECTION PUMP/ B13157 NLA - 23'' (584,2mm) long - Order Ref. 33 - Connects to Ref. 9 - Was 18'' (457,2mm) long

40

6717402

BUSHING 0.54'' ID

41

6737368

BRACKET Use W/Ref. 1 (6736660 Tank)

42

84G3712

BOLT 5

43

HOSE See Illustration FUEL & INJECTION PUMP/ B13157A See Illustration FUEL & INJECTION PUMP/ B13157 NLA - 42'' (1066,8 mm) long - Order Ref. 13 - Connects to Ref. 9

44

6717859

GASKET .375'' x .75'' x 106.75'' long

45

6731059

INLET fuel fill

46

5HM13

CLAMP

47

84G3716

SCREW 5

48

84G3116

SCREW

49

6598908

ELBOW

Выбрано товаров: 58