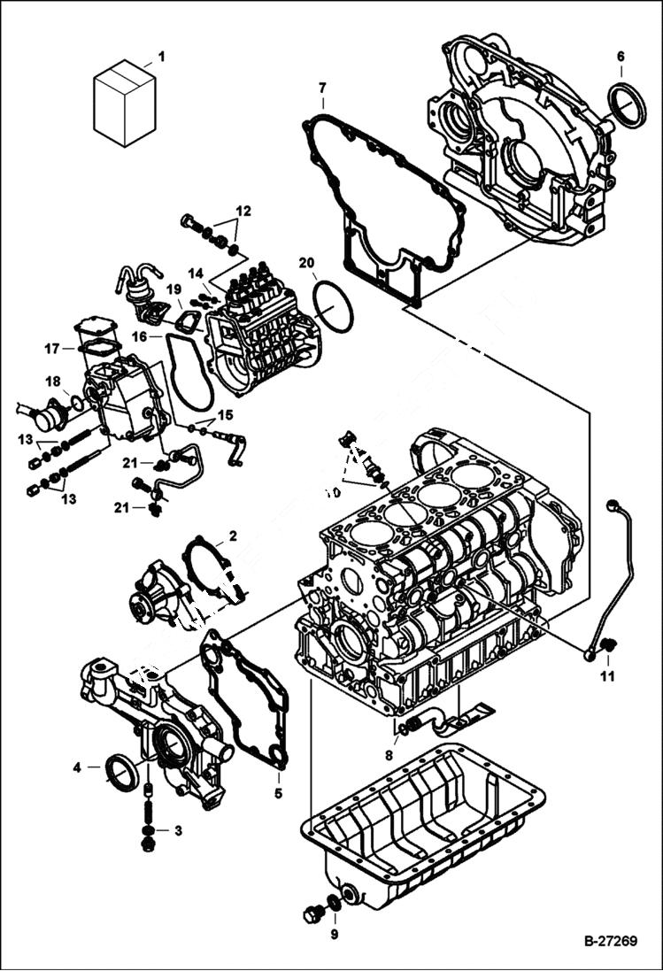
Запчасти Bobcat S-Series LOWER GASKET KIT POWER UNIT

Схема запчастей Bobcat S-Series - LOWER GASKET KIT POWER UNIT
FIT
1:1
100%

Артикул

Название

Примечание

Количество

1

7000588

KIT, GASKET ENG LOWER Ref. 2-21

2

7000746

GASKET, PUMP WATER See Illustration WATER PUMP & THERMOSTAT/ B27282

3

6670347

GASKET See Illustration FRONT COVER/ B27281

4

6680680

SEAL See Illustration FRONT COVER/ B27281

5

7000650

GASKET, COVER CASE See Illustration FRONT COVER/ B27281

6

7000651

SEAL, OIL See Illustration CRANKCASE/ B27278

7

7000653

GASKET, HOUSING See Illustration CRANKCASE/ B27278

8

7000597

O-RING See Illustration OIL PAN/ B27277

9

6631046

SEAL See Illustration OIL PAN/ B27277

10

6683009

O-RING See Illustration OIL PAN/ B27277

11

6689331

GASKET See Illustration TURBOCHARGER/ B27271

12

6698120

GASKET See Illustration INJECTION PUMP/ B27285

13

3974972

GASKET See Illustration INJECTION PUMP/ B27288

14

3974095

MET-GASK See Illustration INJECTION PUMP/ B27288

15

6683023

O-RING See Illustration GOVERNOR/ B27286

16

6680829

GASKET See Illustration GOVERNOR/ B27286

17

6684841

GASKET See Illustration GOVERNOR/ B27286

18

6685465

O-RING See Illustration GOVERNOR/ B27286 - stop solenoid

19

6670782

GASKET See Illustration FUEL & INJECTION PUMP/ B27284

20

7000618

GASKET, PUMP INJ See Illustration FUEL & INJECTION PUMP/ B27284

21

6685962

WASHER, SEALING ALUMINUM See Illustration FUEL & INJECTION PUMP/ B27284

Выбрано товаров: 0