Запчасти Bobcat S-Series CYLINDER HEAD POWER UNIT

Схема запчастей Bobcat S-Series - CYLINDER HEAD POWER UNIT
FIT
1:1
100%

Артикул

Название

Примечание

Количество

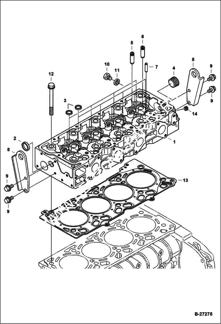
1

7000644

HEAD, CYL ENG W/Ref. 2-9

2

3974033

CAP

3

6670338

PLUG

4

6672354

PLUG

5

7000666

GUIDE, VALVE intake

6

7000667

GUIDE, VALVE exhaust

7

7000664

SHAFT, VALVE BRIDGE

8

7000643

HOOK, LIFT ENG

9

7001138

BOLT,FLANGE

10

7000607

PLUG

11

6698120

GASKET

12

7000652

BOLT Was 7000648 - A

13

7000645

GASKET, HEAD CYL no hole

13

7000646

GASKET, HEAD CYL 1 hole

13

7000647

GASKET, HEAD CYL 2 hole

14

6652574

PLUG

Выбрано товаров: 16