Запчасти Bobcat S-Series GOVERNOR (Fork Lever) POWER UNIT

Схема запчастей Bobcat S-Series - GOVERNOR (Fork Lever) POWER UNIT
FIT
1:1
100%

Артикул

Название

Примечание

Количество

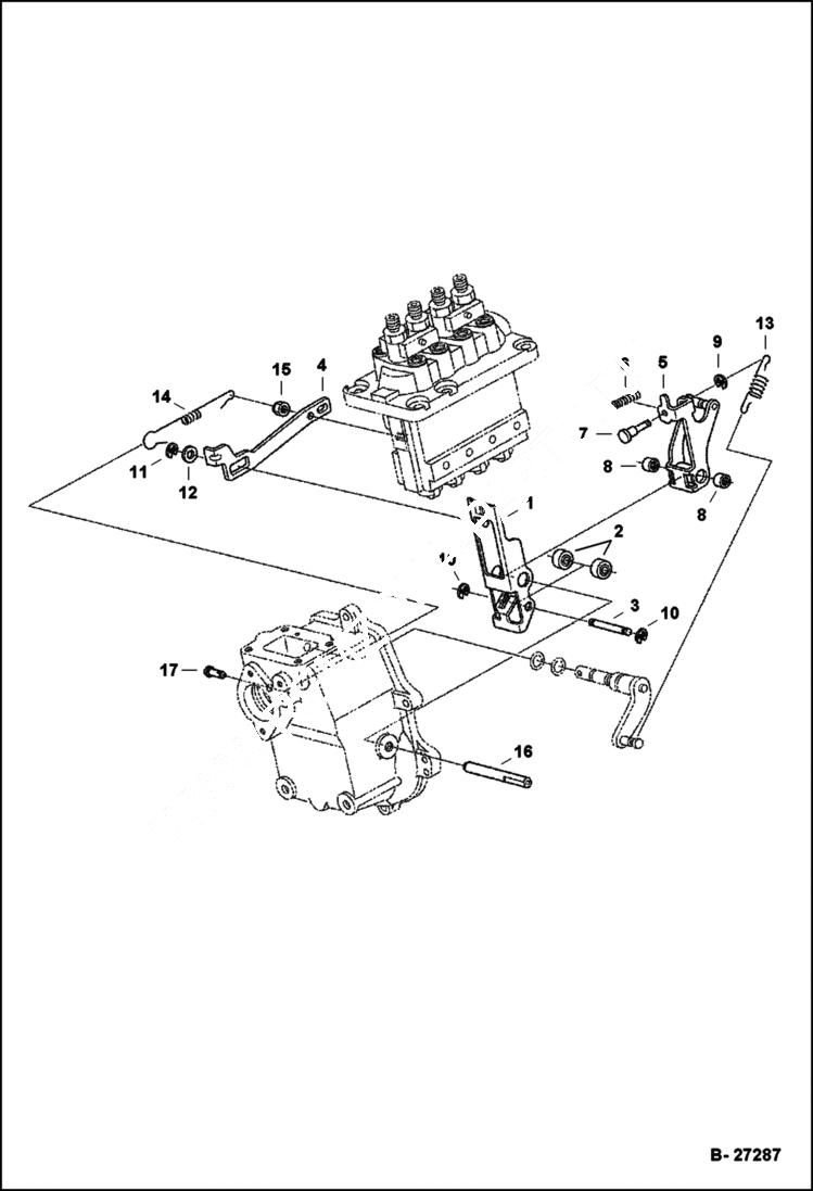
1

7000639

LEVER, FORK W/Ref. 2-12

2

BEARING NSS - Order Ref. 1

3

SHAFT NSS - Order Ref. 1

4

BRACKET NSS - Order Ref. 1

5

LEVER NSS - Order Ref. 1

6

SPRING NSS - Order Ref. 1

7

PIN NSS - Order Ref. 1

8

BUSHING NSS - Order Ref. 1

9

6680823

SNAP RING

10

6680822

SNAP RING Was 7000596 - B,D

11

6680821

SNAP RING

12

6680820

WASHER

13

7000732

SPRING, GOVERNOR

14

7000733

SPRING, START

15

6685952

NUT

16

7000624

SHAFT, FORK LEVER

16

7020987

SHAFT, FORK LEVER

17

6652592

PIN

Выбрано товаров: 0