Запчасти Bobcat S-Series ROCKER ARM COVER (Kubota - V2203) POWER UNIT

Схема запчастей Bobcat S-Series - ROCKER ARM COVER (Kubota - V2203) POWER UNIT
FIT
1:1
100%

Артикул

Название

Примечание

Количество

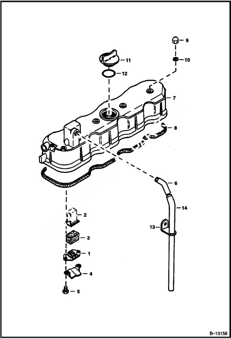
1

3974924

PLATE element

2

3974925

PLATE element

3

3974926

BREATHER breather

4

3974927

SHIELD breather

5

3975436

SCREW W/washer

6

6652624

JOINT breather pipe

7

6655175

COVER valve

8

6598136

GASKET, COVER VALVE

9

3974923

NUT cap

10

3974095

MET-GASK

11

6685924

CAP oil filler - Was 6652653 - A

12

3966602

O RING oil fill plug

13

3974931

CLAMP pipe

14

3974930

PIPE breather

Выбрано товаров: 14