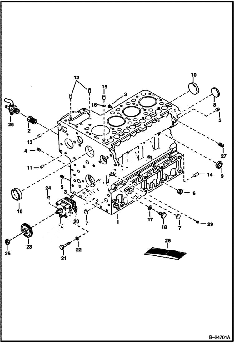
Запчасти Bobcat S-Series CRANKCASE (Kubota - V2003-T-2EB - Tier II Replacement) REPLACEMENT ENGINE

Схема запчастей Bobcat S-Series - CRANKCASE (Kubota - V2003-T-2EB - Tier II Replacement) REPLACEMENT ENGINE
FIT
1:1
100%

Артикул

Название

Примечание

Количество

1

6686993

CRANKCASE assy. - W/Ref. 2 - 15

2

6678946

ADAPTER

3

6652574

PLUG

4

6655869

PLUG

5

6652575

PLUG

6

6598187

PLUG

7

6667418

PLUG expansion

8

6657663

PLUG expansion

9

3974389

CAP, SEALING sealing

10

3974390

PLUG sealing - Was 6680639 - A

11

3974393

PIN straight

12

3974394

PIN straight

13

3974395

PIN straight

14

3974868

PIN straight

15

3974037

PIN pipe

16

3974038

O RING

17

3974095

MET-GASK

18

7022679

PLUG Was 6683104 - A

19

6692380

OIL PUMP Was 6682498 - D

20

6666782

GASKET oil pump - Was 6684786 - A

21

6655195

BOLT

22

6667419

WASHER

23

3975441

GEAR, CAMSHAFT

24

6969805

KEY,FEATHER Was 15JM00410B - A

25

6653888

NUT

26

6672190

DRAINCOCK Was 6630177 - A

27

16F2

PLUG

28

GASKET KIT Lower - Does not include rear oil seal

29

6685477

PLUG

Выбрано товаров: 0