Запчасти Bobcat S-Series HEATER & A/C (Heater Coil Kit) ACCESSORIES & OPTIONS

Схема запчастей Bobcat S-Series - HEATER & A/C (Heater Coil Kit) ACCESSORIES & OPTIONS
FIT
1:1
100%

Артикул

Название

Примечание

Количество

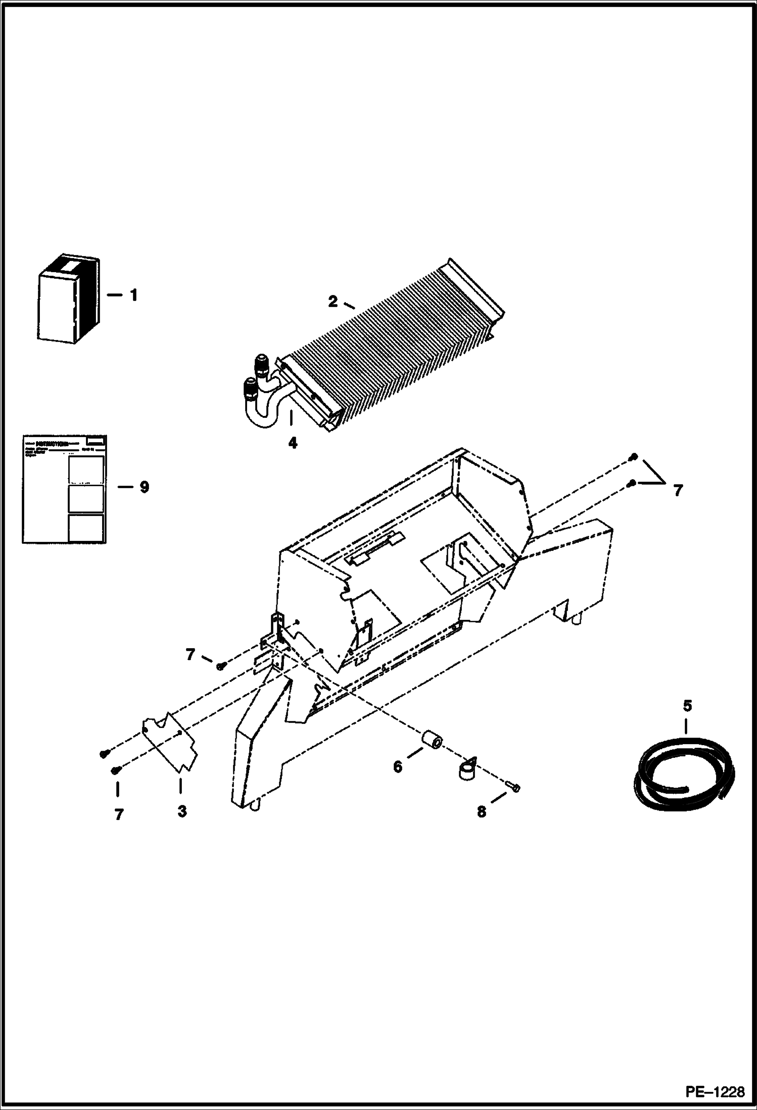
1

6727786

KIT heater coil - threaded hose connectors - Ref. 2-9

1

7132549

HEATER COIL KIT heater coil - barbed hose connectors - Ref. 2, 4 & 9 - Was 6691065 - A

2

HEATER COIL NSS - threaded hose connectors - Order Ref. 1 (6727786 Kit)

2

HEATER COIL NSS - barbed hose connectors - Order Ref. 1 (7132549 kit)

3

6677504

COVER 0.28'' thick

4

INSULATION NLA - 6''(152.4mm) long - Order Ref. 5

5

6676538

INSULATION bulk - sold per foot

6

6676606

SPACER

7

6726621

SCREW

8

6676653

SCREW

9

6901120

INSTRUCTIONS

Выбрано товаров: 0