Качественные детали и логистика
Оригинальные и аналоговые запчасти с доставкой по России, Казахстану и Беларуси
©2022 PartSell ООО "Система" ИНН 2463123282 ОГРН 1212400004838
Центральный офис: г. Красноярск, Академика Киренского, д.87, пом.4
Телефон: 8 (800) 777-65-74 Email: zakaz@partsell.ru
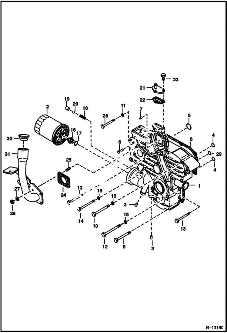
GEARCASE (Kubota - V2203)
№
Артикул
Название
Примечание
Количество
1
CASE ASSY. NLA - W/Ref. 3-7 & 29 - Order 6688640 & Ref. 4-7 & 29 - Was 6655479 - A
6688640
GEAR HOUSING W/Ref. 3
2
6675517
FILTER, OIL ENG 12
3
6667425
PLUG pin
4
3966515
O RING
5
3966530
6
6652592
PIN start spring
7
3974395
PIN straight
8
6666800
GASKET gearcase
9
3974888
BOLT
10
1CM870
11
1EM80
WASHER Was 2EM8 - A
12
1CM880
13
6653808
14
1CM895
15
6EM80
WASHER, SPRING
16
6653809
CONNECTOR
17
15EM180
WASHER
18
6652652
SPRING
19
3974893
SEAT valve
20
10J13
BALL
21
3974894
FLANGE water return
22
6666803
GASKET water return flange
23
1CM620
BOLT Was 4CM620 - A
24
6714543
GASKET
25
6652764
STUD
26
1DM6
NUT
27
6EM60
WASHER, SPRING spring
28
6653807
29
6655162
O-RING
30
6703736
CAP
31
6719048
MOUNT
Выбрано товаров: 0