Качественные детали и логистика
Оригинальные и аналоговые запчасти с доставкой по России, Казахстану и Беларуси
©2022 PartSell ООО "Система" ИНН 2463123282 ОГРН 1212400004838
Центральный офис: г. Красноярск, Академика Киренского, д.87, пом.4
Телефон: 8 (800) 777-65-74 Email: zakaz@partsell.ru
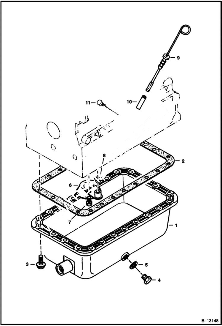
OIL PAN (Kubota - V2203)
№
Артикул
Название
Примечание
Количество
1
6655151
PAN, OIL
2
6666817
GASKET oil pan
3
6653798
BOLT
4
3974402
PLUG drain
5
6680484
GASKET Was 3974403 - B
6
6655194
SCREEN, OIL
7
1CM816
BOLT Was 4CM816 - A
8
3966516
O RING
9
6677202
DIPSTICK, OIL ENG
10
6677203
TUBE,DIPSTICK for long dipstick
11
6969804
PLUG,OIL GAUGE
Выбрано товаров: 0