Качественные детали и логистика
Оригинальные и аналоговые запчасти с доставкой по России, Казахстану и Беларуси
©2022 PartSell ООО "Система" ИНН 2463123282 ОГРН 1212400004838
Центральный офис: г. Красноярск, Академика Киренского, д.87, пом.4
Телефон: 8 (800) 777-65-74 Email: zakaz@partsell.ru
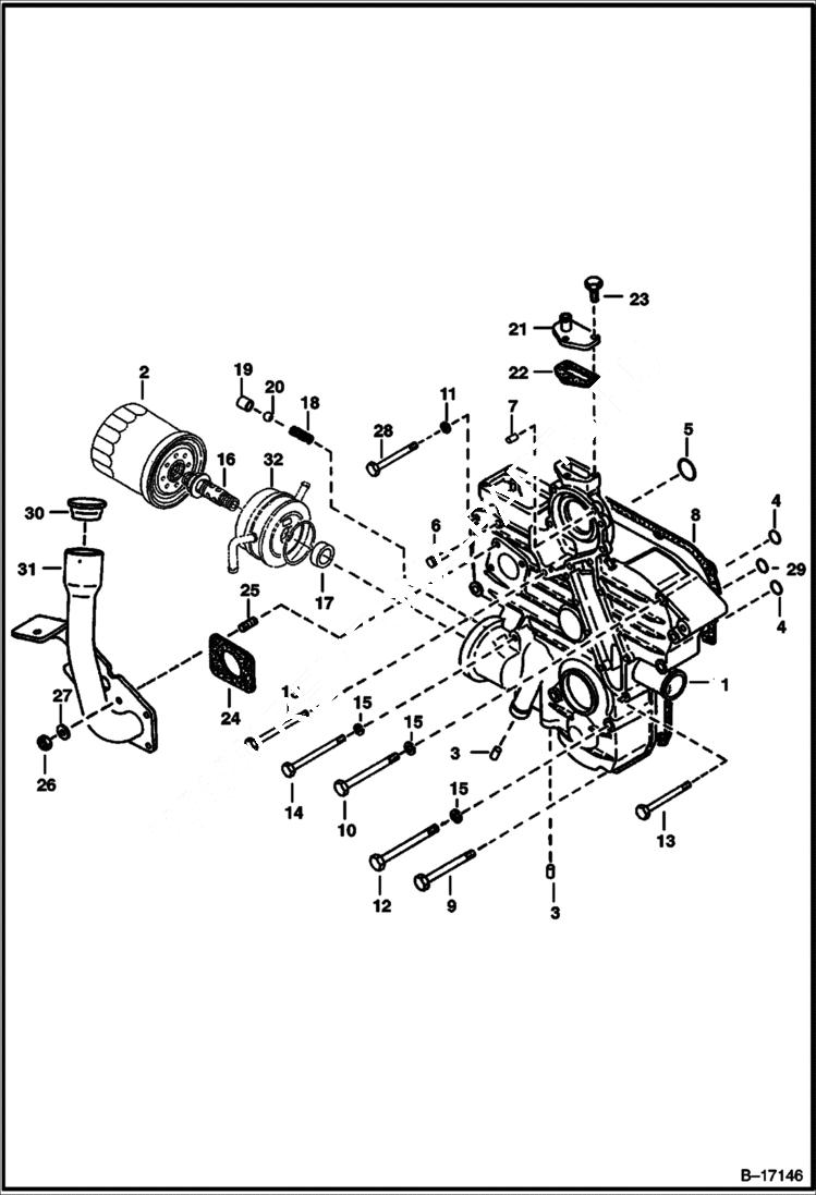
GEARCASE (Kubota - V2003T)
№
Артикул
Название
Примечание
Количество
1
CASE ASSY. NLA - W/Ref. 3-7 & 29 - Order 6688640 & Ref. 4-7 & 29 - Was 6655479 - A
6688640
GEAR HOUSING W/Ref. 3
2
6675517
FILTER, OIL ENG 12
3
6667425
PLUG pin
4
3966515
O RING
5
3966530
6
6652592
PIN start spring
7
3974395
PIN straight
8
6666800
GASKET gearcase
9
3974888
BOLT
10
1CM870
11
1EM80
WASHER Was 2EM8 - A
12
1CM880
13
6653808
14
1CM895
15
6EM80
WASHER, SPRING
16
CONNECTOR NLA - Order 7020646 connector and 7020866 collar - Was 6675681 - A
17
6675671
COLLAR
18
6652652
SPRING
19
3974893
SEAT valve
20
10J13
BALL
21
3974894
FLANGE water return
22
6666803
GASKET water return flange
23
1CM620
BOLT Was 4CM620 - A
24
6714543
GASKET Was 6666785 - A
25
6652764
STUD
26
1DM6
NUT
27
6EM60
WASHER, SPRING spring
28
6653807
29
6655162
O-RING
30
6703736
CAP
31
6719048
MOUNT
32
OIL COOLER See Illustration OIL COOLER/ PE1455R
Выбрано товаров: 0