Запчасти Bobcat S-Series HEATER & A/C (Heater Plumbing Kit) ACCESSORIES & OPTIONS

Схема запчастей Bobcat S-Series - HEATER & A/C (Heater Plumbing Kit) ACCESSORIES & OPTIONS
FIT
1:1
100%

Артикул

Название

Примечание

Количество

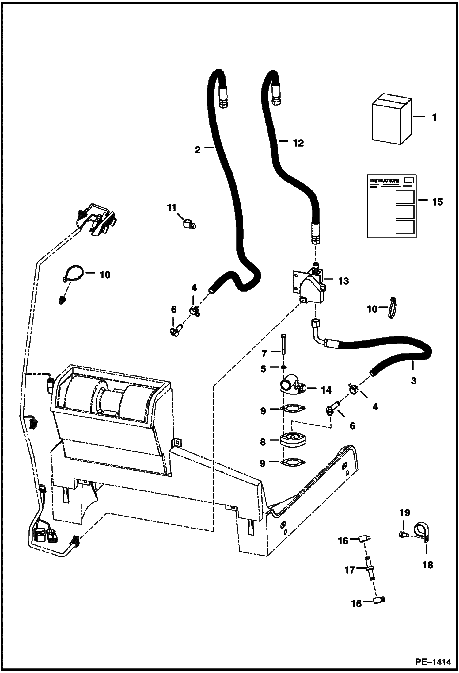
1

KIT See Illustration HEATER & A/C/ PE1034 Ref. 2-12 - W/threaded hose connectors - Order components - for heater kit - Was 6731158 - A

2

6730996

HOSE W/10'' spring guard

3

6730998

HOSE

4

5HM20

CLAMP hose

5

6EM80

WASHER, SPRING

6

6731085

ELBOW

7

1CM860

BOLT Was 1CM-870 - B

8

6731049

ADAPTER

9

6732199

GASKET thermostat

10

6624289

STRAP, TIE

11

30H45

CLIP insulated

12

6719144

HOSE 34'' (863,6 mm) long - W/spring guard

13

VALVE See Illustration HEATER & A/C/ PE1034 NOT IN KIT

14

HOUSING See Illustration WATER FLANGE & THERMOSTAT/ B16454 THERMOSTAT - NOT IN KIT

15

6900850

INSTRUCTIONS Not in Kit - Used in factory option only

16

30H50

CLIP Not in Kit - Used in factory option only

17

6732023

CONNECTOR Not in Kit - Used in factory option only

18

5HM20

CLAMP Not in Kit - Used in factory option only

19

84G3712

BOLT 5 not in kit - Used in factory option only

Выбрано товаров: 19