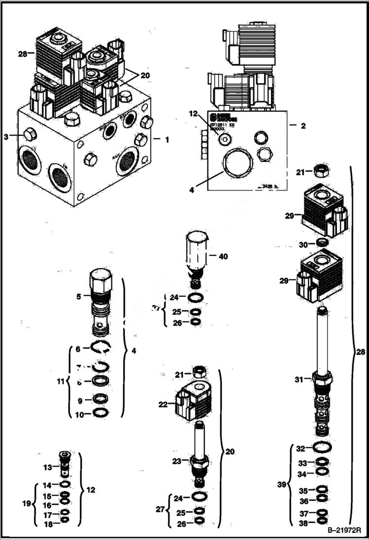
Запчасти Bobcat S-Series REAR AUXILIARY VALVE (S/N 517628700 & Above, 518116750 & Above, 519037250 & Above, 519215550 & Above) ACCESSORIES & OPTIONS

Схема запчастей Bobcat S-Series - REAR AUXILIARY VALVE (S/N 517628700 & Above, 518116750 & Above, 519037250 & Above, 519215550 & Above) ACCESSORIES & OPTIONS
FIT
1:1
100%

Артикул

Название

Примечание

Количество

1

CONTROL VALVE See Illustration REAR AUXILIARY VALVE/ MS2255 NLA - CP12511 - Order 6685624 control valve - Was 6683251 - A

2

BLOCK NSS

3

PLUG

4

6684044

VALVE differential sensing - Ref. 5-10

5

VALVE NSS - Order Ref. 4

6

6684046

O-RING

7

6684048

O-RING

8

6684047

BACK-UP RING

9

6684050

BACK-UP RING

10

6684049

O-RING

11

6684045

SEAL KIT Ref. 6-10

12

6684061

VALVE shuttle - Ref. 13-18

13

VALVE NSS - Order Ref. 12

14

6684063

O-RING

15

6684064

BACK-UP RING

16

6684065

O-RING

17

6684066

O-RING

18

BACK-UP RING NLA - Was 6684067 - A

19

6684062

SEAL KIT Ref. 14-18

20

VALVE NLA - Ref. 21-26 - .5'' dia x 45 mm (1.78'') long stem - Order 7021365 solenoid valve - Was 6685061 - A

20

7021365

VALVE, SOLENOID Ref. 21-26 - 13 mm dia x 38 mm (1.53'') long stem

21

6684060

NUT 0.5'' thread - Use W/Ref. 22 (6684073 coil)

21

7021367

NUT 13 mm thread - Use W/Ref. 22 (7021366 coil)

22

6684073

COIL, SOLENOID 12 volt - Use W/ 0.5'' dia x 45 mm (1.78'') long stem

22

7021366

COIL, SOLENOID 12 volt - Use W/ 13 mm dia x 38 mm (1.53'') long stem

23

STEM NSS - Order Ref. 20

24

6684070

O-RING

25

6684071

O-RING

26

6684072

BACK-UP RING

27

6684069

SEAL KIT Ref. 24-26

28

6684051

VALVE solenoid - Ref. 21 & 29-39

29

6684058

COIL

30

6684059

SPACER

31

VALVE NSS - Order Ref. 28

32

O-RING NLA - Order Ref. 39 - Was 6681489 - A

33

6684053

BACK-UP RING

34

6684054

O-RING

35

6684056

O-RING

36

BACK-UP RING NLA - Was 6684055 - A

37

O-RING NLA - Order Ref. 39 - Was 6681487 - A

38

BACK-UP RING NLA - Was 6684057 - A

39

6684052

SEAL KIT Ref. 32-38

40

6685328

RELIEF VALVE W/Ref. 24-26

Выбрано товаров: 43