Качественные детали и логистика
Оригинальные и аналоговые запчасти с доставкой по России, Казахстану и Беларуси
©2022 PartSell ООО "Система" ИНН 2463123282 ОГРН 1212400004838
Центральный офис: г. Красноярск, Академика Киренского, д.87, пом.4
Телефон: 8 (800) 777-65-74 Email: zakaz@partsell.ru
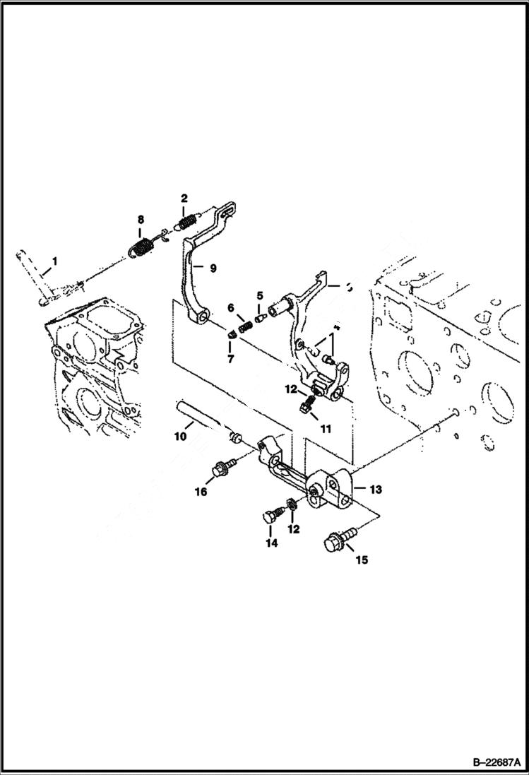
GOVERNOR (Kubota - V2003TMDI - Tier II) (S/N 525011001 & Above, 525111001 & Above
№
Артикул
Название
Примечание
Количество
1
6684838
LEVER governor
2
6685514
SPRING
3
6685588
LEVER fork - W/Ref. 4-14 - Was 6689100 - B,D
6692383
LEVER ASSM. fork - W/Ref. 4-14
4
PIN NSS
5
6
SPRING NSS
7
SCREW NSS
8
6685636
SPRING governor
9
6684832
LEVER
10
6684833
SHAFT
11
6680830
BOLT
12
6667419
WASHER
13
6653916
HOLDER
14
3974662
BOLT Was 3974192 - A
15
6680706
16
6685464
Выбрано товаров: 0