Запчасти Bobcat S-Series FUEL & INJECTION PUMP (Kubota - V2003TMDI - Tier II) (S/N 525011001 & Above, 525111001 & Above POWER UNIT

Схема запчастей Bobcat S-Series - FUEL & INJECTION PUMP (Kubota - V2003TMDI - Tier II) (S/N 525011001 & Above, 525111001 & Above POWER UNIT
FIT
1:1
100%

Артикул

Название

Примечание

Количество

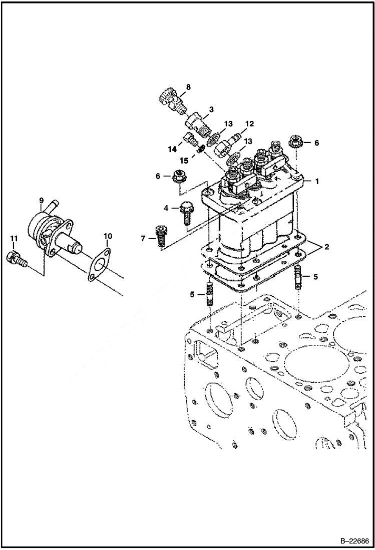
1

7022162

PUMP, FUEL INJ Was 6684828 - A

1

6684828REM

PUMP, FUEL INJ. KUBOTA V2003

2

3974626

SHIM 0,20 mm - injection pump

2

6682515

SHIM 0,25 mm - injection pump

2

6655210

SHIM 0,30 mm - injection pump

2

6684829

SHIM 0,35 mm - injection pump

3

6685473

BOLT, EYE 12MM Use W/Ref. 13 gasket 6698120

3

7019023

BOLT, EYE 12MM Use W/Ref. 13 gasket 7019024

4

6680801

BOLT

5

6652670

STUD

6

6680663

NUT

7

6684830

BOLT

8

6598102

VALVE jet start

9

6655216

FUEL PUMP

10

3974502

GASKET fuel pump

11

1CM616

SCREW Was 4CM616 - A

12

6513707

JOINT eye

13

6698120

GASKET Use W/Ref. 3 eye bolt 6685473 - Was 3974403 - A

13

7019024

GASKET Use W/Ref. 3 eye bolt 7019023

14

6599084

SCREW Was 6969820 - A

15

6685471

GASKET

Выбрано товаров: 21