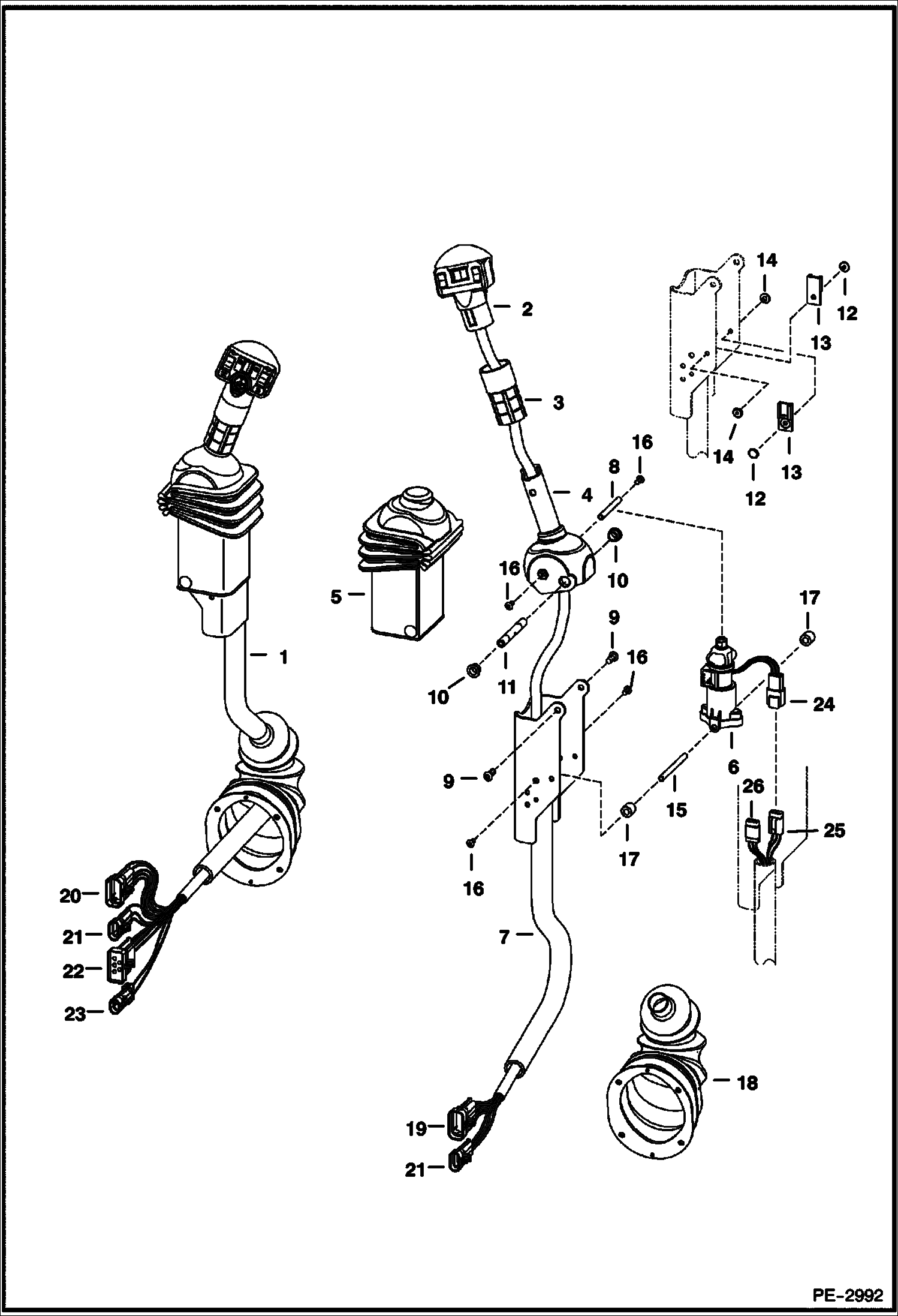
Запчасти Bobcat S-Series CONTROLS ELECTRICAL (AHC) (Handle Assembly) ELECTRICAL SYSTEM

Схема запчастей Bobcat S-Series - CONTROLS ELECTRICAL (AHC) (Handle Assembly) ELECTRICAL SYSTEM
FIT
1:1
100%

Артикул

Название

Примечание

Количество

1

6684913

LEVER tilt - RH

1

6684914

LEVER lift - LH

2

6680462

HANDLE, ACS RH tilt - RH

2

6680417

HANDLE lift - LH

3

6702621

GRIP

4

6729594

HANDLE RH

4

6729595

HANDLE LH

5

6680471

COVER

6

6684910

SENSOR, ELEC AHC

6

6670706

CONNECTOR 3-pin

6

6670714

PIN

6

6670710

LOCK

7

6680481

CHANNEL RH

7

6680480

CHANNEL LH

8

6680469

SPACER

9

25GT410

SCREW

10

6702990

BUSHING

11

6713043

SPACER

12

6665321

RIVET male

13

6665000

CLIP

14

6665322

RIVET female

15

6719834

SPACER threaded

16

6727065

BOLT

17

6719835

SLEEVE

18

6532127

BOOT

19

6640692

CONNECTOR 10-pin

19

6640690

PIN

19

6640694

LOCK Use W/ 10-pin connector

19

6641176

SEAL

19

6646582

PLUG cavity

20

6640692

CONNECTOR 10-pin

20

6640690

PIN

20

6640694

LOCK Use W/ 10-pin connector

20

6641176

SEAL

20

6646582

PLUG cavity

21

6640699

CONNECTOR 3-pin - RH & LH

21

6640690

PIN

21

6641176

SEAL

21

6640700

LOCK

22

6667144

CONNECTOR 5-pin

22

6640690

PIN

22

6641176

SEAL

22

6646582

PLUG cavity

22

6667145

LOCK Use W/ 5-pin connector

23

6641179

CONNECTOR 2-pin

23

6640690

PIN

23

6641176

SEAL

23

6641180

LOCK Use W/ 2-pin connector

24

6670707

CONNECTOR 3-pin

24

6670715

PIN

24

6670711

LOCK

25

6676870

CONNECTOR 3 - pin

25

6670711

LOCK

25

6670715

PIN

25

6676640

SEAL plug

26

6677364

CONNECTOR 3-pin - RH & LH

26

6676640

SEAL plug

26

6670715

PIN

Выбрано товаров: 0