Запчасти Bobcat S-Series INJECTION PUMP (Fuel Camshaft) POWER UNIT

Схема запчастей Bobcat S-Series - INJECTION PUMP (Fuel Camshaft) POWER UNIT
FIT
1:1
100%

Артикул

Название

Примечание

Количество

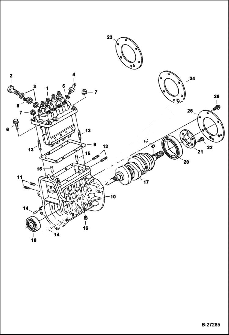
1

7000721

PUMP, INJ FUEL

2

7001499

BOLT, EYE

3

6698120

GASKET

4

7000609

SCREW, AIR BLEEDER

5

3974095

MET-GASK

6

6680755

BOLT

7

6969819

NUT, FLANGE

8

6513707

JOINT eye

9

6684829

SHIM 0,35 mm

10

7000720

HOUSING, PUMP INJ W/Ref. 11-16

10

7010591

HOUSING, PUMP INJ W/Ref. 11 & 13-15

10

7020994

HOUSING, PUMP INJ W/Ref. 11 & 13-15

11

7020989

STUD for harness bracket - Was 6598156 - B

12

7000606

STUD

13

6652670

STUD

14

6680809

PIN

15

3974394

PIN

16

6680667

PLUG

17

7000628

CAMSHAFT, FUEL

18

7000637

BEARING, BALL

19

6680813

KEY

20

7000617

BEARING, BALL

21

7000614

RETAINER, BEARING

22

7000594

SCREW

23

7000629

RETAINER, BEARING W/7 holes

24

7010592

RETAINER, BEARING W/6 holes and 1 notch

25

7020993

RETAINER W/8 holes

26

29CM612

BOLT, FLANGED

Выбрано товаров: 28