Запчасти Bobcat S-Series CONTROLS ELECTRICAL (ACS) (S/N 523211001, 523311001 & Above) (526211001-13999, 526311001-11999) ELECTRICAL SYSTEM

Схема запчастей Bobcat S-Series - CONTROLS ELECTRICAL (ACS) (S/N 523211001, 523311001 & Above) (526211001-13999, 526311001-11999) ELECTRICAL SYSTEM
FIT
1:1
100%

Артикул

Название

Примечание

Количество

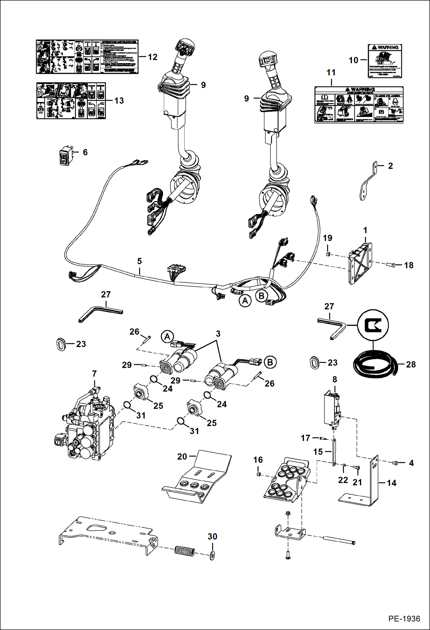
1

6680410

CONTROLLER plastic - W/ 3-connector plug - Was 6676337 - A

2

6717393

LEVER throttle

3

ACTUATOR NLA - Use W/Ref. 24 (58K120 O-ring) & Ref. 25 (6725128 adapter) - Order 7101672 actuator & Ref. 25 (7101705 adapter) - Was 6678775 - A

3

ACTUATOR NLA - W/Ref. 24 (6686220 O-ring) - Use W/Ref. 25 (7101705 adapter) - Was 7103129 - A

3

7101672

ACTUATOR W/Ref. 24 (58K120 O-ring) - Use W/Ref. 25 (7101705 adapter)

4

17C608

BOLT

5

6733292

HARNESS, ACS

6

6676537

SWITCH

7

VALVE ACS control

8

6684912

SENSOR, FOOT RH See Illustration CONTROLS ELECTRICAL/ PE1553 - Was 6676493 - B

8

6676029

SOLENOID, LOCK SPOOL

8

6684911

SENSOR, FOOT LH See Illustration CONTROLS ELECTRICAL/ PE1553 - Was 6676492 - B

8

6676029

SOLENOID, LOCK SPOOL

9

6684915

LEVER, ACS RH See Illustration CONTROLS ELECTRICAL/ PE1365 - tilt - RH - Was 6680424 - A

9

6684916

LEVER, ACS LH See Illustration CONTROLS ELECTRICAL/ PE1365 - lift - LH - Was 6680423 - A

10

6718706

DECAL, WARNING raising cab

11

6728539

DECAL

11

6734646

DECAL, WARNING selectable joystick controls

12

6727926

DECAL, OPERATION hand & foot controls

13

6728328

DECAL operations AHC

13

6718704

DECAL operations AHC

14

7126869

BRACKET Was 6726573 - A

15

6726681

LINK

16

95D5

NUT

17

6727496

PIN

18

17C616

BOLT 5

19

95D6

NUT

20

6712365

STEP AHC

21

35C514

BOLT

22

6729467

SPACER

23

6714726

GROMMET

24

58K120

O-RING Use W/Ref. 3 (NLA/ 6678775 actuator & 7101672 actuator)

24

6686220

O-RING Use W/Ref. 3 (NLA/ 7103129 actuator)

25

6725128

ADAPTER actuator - W/ O-ring groove - Use W/Ref. 3 (NLA/ 6678775 actuator)

25

7101705

ADAPTER, ACTUATOR W/O O-ring - Use W/Ref. 3 (NLA/ 7103129 actuator & 7101672 actuator)

26

69G436

BOLT

27

MOULDING NLA - 10.5'' (267mm) long - Order Ref. 28

28

6654139

MOULDING bulk - sold per foot

29

7108236

PIN Was 6718506 - A

30

25E24

WASHER

31

1K127

O-RING 10

Выбрано товаров: 41