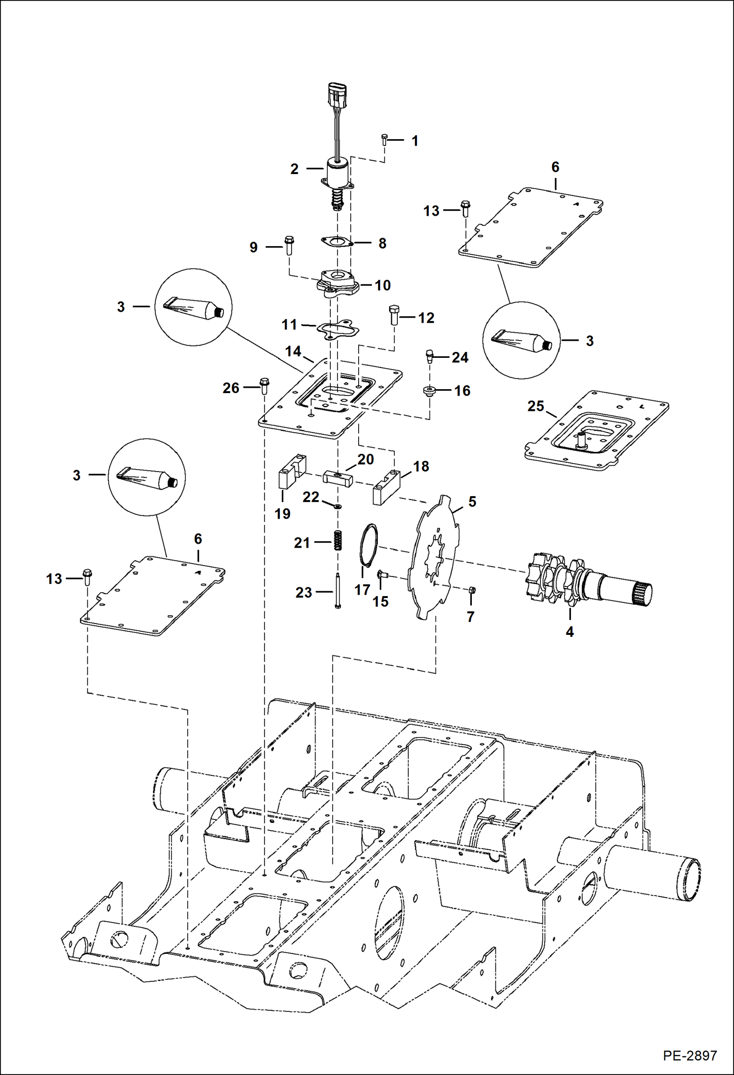
Запчасти Bobcat S-Series TRANSMISSION COVERS (W/Disc Brake) (S/N 530714318 & Below, 530811605 & Below) DRIVE TRAIN

Схема запчастей Bobcat S-Series - TRANSMISSION COVERS (W/Disc Brake) (S/N 530714318 & Below, 530811605 & Below) DRIVE TRAIN
FIT
1:1
100%

Артикул

Название

Примечание

Количество

1

17C412

BOLT 5

2

6681512

SOLENOID

3

6685372

SEALANT, GASKET LIQUID 10.1 OZ tube - 0.57 kg (20 oz)

4

7106738

SHAFT See Illustration MOTOR CARRIER/ PE1543 - standard hand controls

5

7106744

BRAKE DISC

5

6710195

PLATE W/disc brake

6

7129987

COVER Was 6733956 - A

7

59D5

NUT 5

8

6706737

GASKET

9

84G3720

BOLT

10

6706718

MOUNT

11

6708016

GASKET

12

47C820

BOLT

13

84G3716

SCREW 5

14

COVER NLA - single speed - L stamped - Order Ref. 25, 17C612 bolt (1) & 6557831 washer (1) - Was 7130296 - A

15

37C512

BOLT

16

6553411

BUSHING

17

6662298

RING, RETAINER

18

6719057

BLOCK guide - RH

19

6719056

BLOCK guide - LH

20

6714278

WEDGE, LOCK TRACTION for brake disc

21

6708018

SPRING

22

25E13

WASHER 5

23

6708267

BOLT

24

6680970

BREATHER

25

7156264

COVER L stamped

Выбрано товаров: 26