Запчасти Bobcat S-Series BOB-TACH MAIN FRAME

Схема запчастей Bobcat S-Series - BOB-TACH MAIN FRAME
FIT
1:1
100%

Артикул

Название

Примечание

Количество

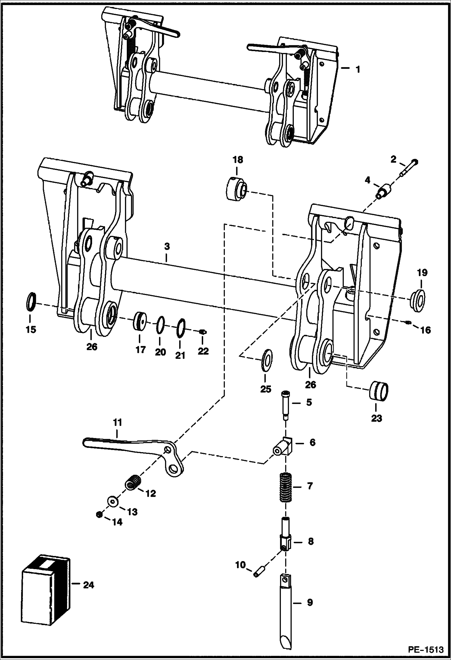
1

6729029

BOB-TACH See Illustration DECALS/ B19816 Ref. 2-23 - Also Order 6561383 decal

2

17C660

BOLT

3

FRAME NLA

4

6702958

BUSHING, WELD-ON

5

6728473

BOLT, SHOULDER pre-applied thread locker

6

6704240

PIVOT ASSY. 0.75'' long pin - not in kit

6

6731119

PIVOT, WEDGE 50 mm (1.95'') long pin - in kit

7

6578253

SPRING, COMPRESSION Was 6562018 - A

8

6704248

PIVOT, WEDGE

9

6737191

WEDGE Was 6704242 - A

10

14J5032

PIN, STRAIGHT

11

6702904

LEVER, BOB-TACH RH

11

6702903

LEVER, BOB-TACH LH

12

6713040

SPRING

13

619021

WASHER, 5

14

85D6

NUT, 5

15

6678960

SEAL

16

10H35

FITTING, GREASE 10

17

6729491

PLUG

18

6717260

BUSHING weld-on

19

6717259

BUSHING weld-on

20

25K30126

O RING 10

21

7105856

SNAP RING Was 7JM00050B - B

22

10H25

FITTING, GREASE 5

23

BUSHING NLA - wear - w/ grease groove - Order 7139943 - Was 6718329 - A

23

7139943

BUSHING wear - w/o grease groove

24

6724775

LEVER KIT RH - Bob-Tach - Ref. 2 & 5-14

24

6724776

LEVER KIT LH - Bob-Tach - Ref. 2 & 5-14

25

6698692

WASHER Was 6734146 - A

26

6729353

BUSHING PIVOT weld-on

Выбрано товаров: 30