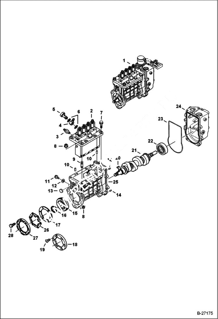
Запчасти Bobcat S-Series FUEL INJECTION PUMP POWER UNIT

Схема запчастей Bobcat S-Series - FUEL INJECTION PUMP POWER UNIT
FIT
1:1
100%

Артикул

Название

Примечание

Количество

1

7009356

PUMP, FUEL INJ ASSY Was 6698587 - A

2

6698538

PUMP, FUEL INJ

3

6680756

SCREW

4

6655515

JOINT

5

6680752

BOLT

6

3975389

GASKET Was 6698120 - B,D

7

6680755

BOLT

8

6969819

NUT, FLANGE

9

6598156

STUD

10

3974394

PIN

11

6680662

BOLT

12

3974095

MET-GASK

13

6680808

PLUG

14

6680809

PIN

15

6698532

BEARING, BALL

16

6698519

CIRCLIP

17

6698531

SPACER, PUMP INJ

18

6698530

STOP, CAMSHAFT

19

6698518

SCREW

20

6680813

KEY

21

6698529

CAMSHAFT, FUEL

22

6680812

BEARING

22

7010145

BEARING

23

6680829

GASKET

24

GOVERNOR See Illustration GOVERNOR/ B27176

25

6698537

HOUSING, PUMP INJ

26

7020953

RETAINER

27

7020954

RETAINER

28

1CM620

BOLT Was 4CM620 - A

Выбрано товаров: 29