Запчасти Bobcat S-Series CONTROLS ELECTRICAL (ACS) ELECTRICAL SYSTEM

Схема запчастей Bobcat S-Series - CONTROLS ELECTRICAL (ACS) ELECTRICAL SYSTEM
FIT
1:1
100%

Артикул

Название

Примечание

Количество

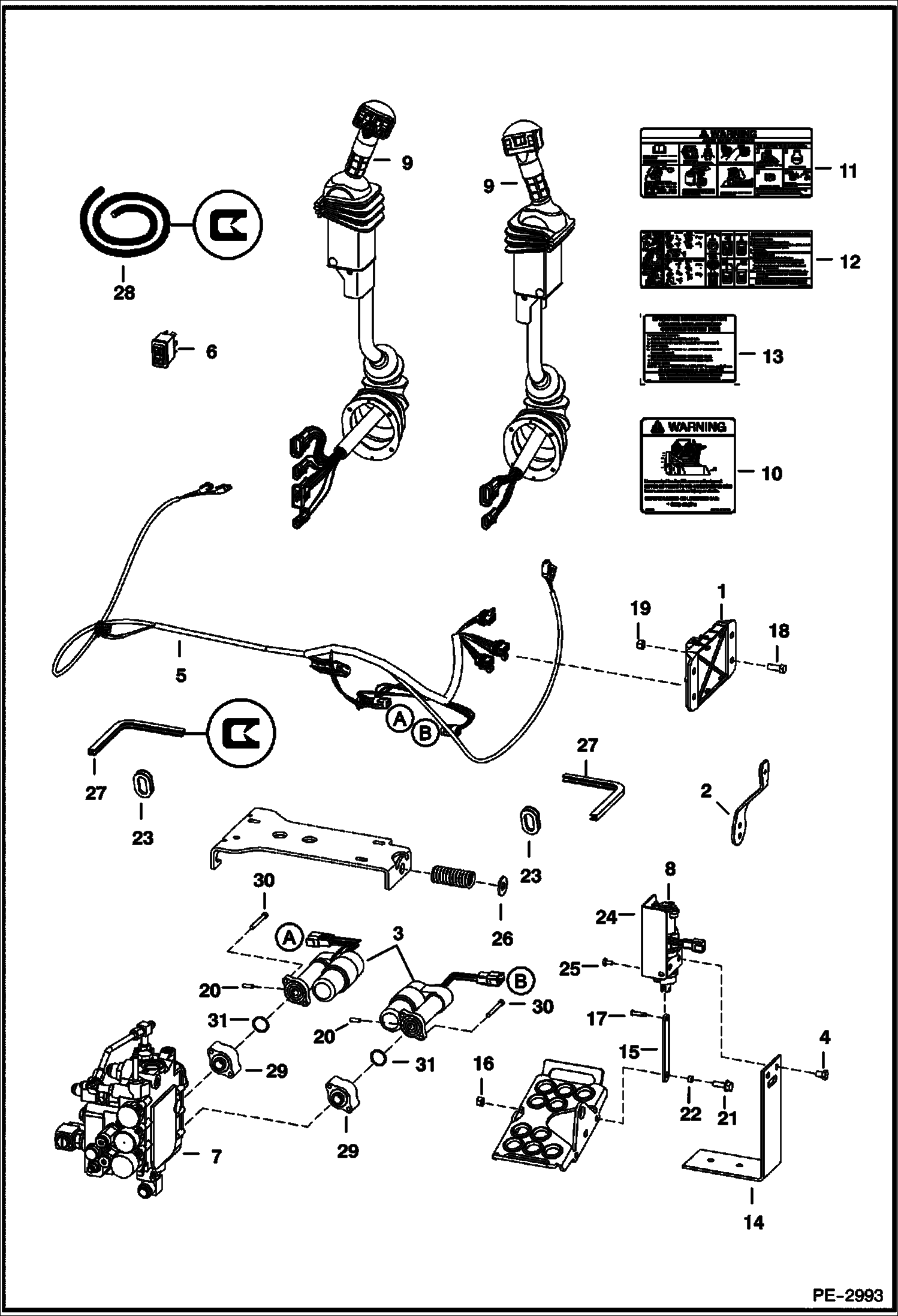
1

6680410

CONTROLLER plastic - W/ 3-connector plug - Was 6676337 - A

2

6717393

LEVER throttle

3

ACTUATOR NLA - Use W/Ref. 31 (58K120 O-ring) & Ref. 29 (6725128 adapter) - Order 710672 actuator & Ref. 30 (7101705 adapter) - Was 6678775 - A

3

ACTUATOR NLA - W/Ref. 31 (6686220 O-ring) - Use W/Ref. 29 (7101705 adapter) - Was 7103129 - A

3

7101672

ACTUATOR W/Ref. 31 (58K120 O-ring) - Use W/Ref. 29 (7101705 adapter)

4

17C608

BOLT

5

6733292

HARNESS, ACS ACS - Was 6729023 - B

6

6676537

SWITCH

7

VALVE

8

SENSOR See Illustration CONTROLS ELECTRICAL/ PE1553 FOOT PEDAL - R.H.

8

6676029

SOLENOID, LOCK SPOOL

8

SENSOR See Illustration CONTROLS ELECTRICAL/ PE1553 FOOT PEDAL - L.H.

8

6676029

SOLENOID, LOCK SPOOL

9

6676333

LEVER See Illustration CONTROLS ELECTRICAL/ PE1365 TILT - R.H.

9

6676497

LEVER See Illustration CONTROLS ELECTRICAL/ PE1365 LIFT - L.H.

10

6718706

DECAL, WARNING raising cab

10

6718397

DECAL, WARNING no riders

11

6728539

DECAL Use on S250 S300

11

6728540

DECAL, WARNING for T300

12

6727926

DECAL, OPERATION hand & foot controls

13

DECAL NLA - Order 6727926 Decal Ref. 12 - Was 6727941 - A

14

7126869

BRACKET Was 6726573 - A

15

6726681

LINK

16

95D5

NUT

17

6727496

PIN

18

17C616

BOLT 5

19

95D6

NUT

20

7108236

PIN Was 6718506 - A

21

35C514

BOLT Was 17C000514B - B

22

6729467

SPACER

23

6714726

GROMMET

24

6680478

SHIELD RH

24

6680479

SHIELD LH

25

43C408

BOLT

26

25E24

WASHER

27

MOULDING NLA - 10.5'' (267mm) long - Order Ref. 28

28

6654139

MOULDING bulk - sold per foot

29

6725128

ADAPTER actuator - W/ O-ring groove - Use W/Ref. 3 (NLA/ 6678775 actuator)

29

7101705

ADAPTER, ACTUATOR W/O O-ring groove - Use W/Ref. 3 (NLA/ 7103129 actuator & 7101672 actuator)

30

69G436

BOLT

31

58K120

O-RING Use W/Ref. 3 (NLA/ 6678775 actuator & 7101672 actuator)

31

6686220

O-RING Use W/Ref. 3 (NLA/ 7103129 actuator)

Выбрано товаров: 42