Запчасти Bobcat S-Series CYLINDER HEAD & COVER POWER UNIT

Схема запчастей Bobcat S-Series - CYLINDER HEAD & COVER POWER UNIT
FIT
1:1
100%

Артикул

Название

Примечание

Количество

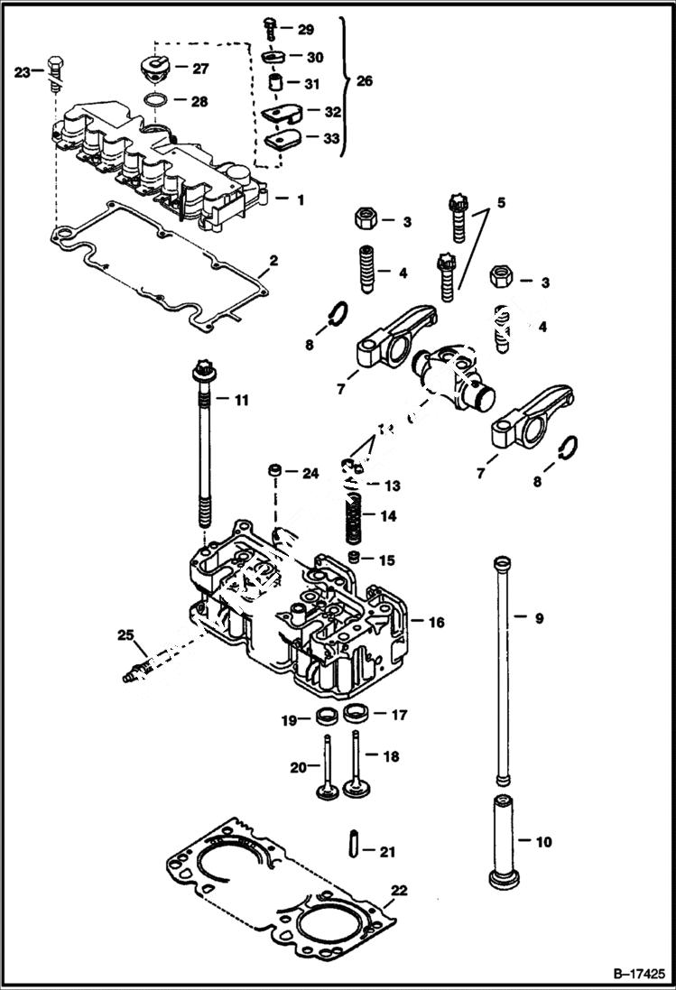
1

6672770

COVER

2

6672489

GASKET, COVER HEAD CYL

3

6666450

NUT

4

6666449

SCREW adjusting

5

6672900

BOLT

6

6666474

BRACKET rocker - W/Ref 3, 4, 7 & 8

7

6666448

ARM rocker

8

6666388

SNAP RING

9

6666447

PUSH ROD

10

6666504

TAPPET

11

6670820

BOLT fully threaded

12

6666443

COLLAR

13

6668940

CAP spring

13

6681634

CAP spring

14

6668944

SPRING

15

6666460

SEAL

16

6676567

HEAD cylinder - W/Ref. 12-20

16

6681633

HEAD cylinder - W/Ref. 12-20

16

6681633REM

HEAD, DEUTZ BF4M1011-F

17

6666505

INSERT valve seat - intake

17

6681632

INSERT valve seat - intake

18

6666526

VALVE intake

19

6666481

INSERT valve seat - exhaust

19

6681631

INSERT valve seat - exhaust

20

6666466

VALVE exhaust

21

6666519

PIN

22

6676568

GASKET head - 1 notch

22

6681628

GASKET head - 1 notch

22

6676571

GASKET head - 2 notch

22

6681629

GASKET head - 2 notch

22

6676572

GASKET head - 3 notch

22

6681630

GASKET head - 3 notch

23

6672771

BOLT

24

6666697

PLUG soft

25

6670989

GLOW PLUG

26

KIT, SHIELD HEAT NLA - Ref. 29-33 - w/ round heat shield - Was 6673967 - A

26

7204577

KIT, SHIELD HEAT Ref. 29-33 - W/square heat shield

27

6666749

BREATHER W/Ref. 28

28

6669643

O-RING

29

BOLT NSS - Order Ref. 26

30

WASHER NSS - Order Ref. 26

31

SPACER NSS - Order Ref. 26

32

SHIELD NSS - Order Ref. 26

33

INSULATION NSS - Order Ref. 26

Выбрано товаров: 44