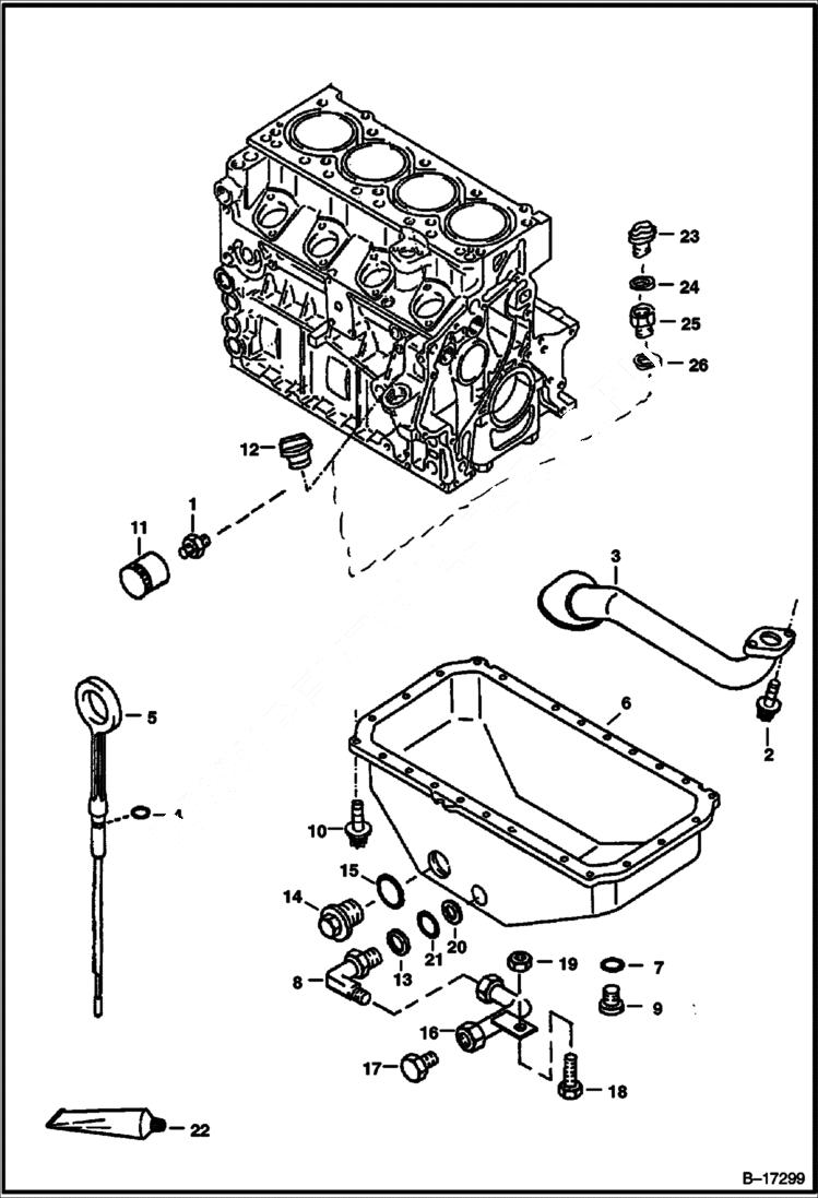
Запчасти Bobcat S-Series OIL PAN POWER UNIT

Схема запчастей Bobcat S-Series - OIL PAN POWER UNIT
FIT
1:1
100%

Артикул

Название

Примечание

Количество

1

6668897

ADAPTER

2

6668938

BOLT

3

6666508

TUBE oil suction

4

25K30012

O RING 10

5

DIPSTICK NLA - W/ Ribs - Was 6669531 - A

5

6680251

DIPSTICK, OIL ENG W/O Ribs

6

6677832

OIL PAN W/Ref. 5, 9, 14, & 15

7

6666394

SEAL RING brass - 18mm x 24mm

8

6709168

ELBOW W/Ref. 13, 20 & 21

9

6666400

PLUG

10

6677831

BOLT

11

6665603

FILTER engine

12

6666530

CAP oil fill

13

6669067

WASHER

14

6666397

PLUG

15

2FM22270

WASHER metal W/moulded insert - 59 mm O.D.

16

6732385

TUBE oil drain - Was 6714500 - B,D

17

6518121

PLUG oil drain

18

35C512

BOLT

19

97D5

NUT

20

58K114

O RING 10

21

6669066

SEAL RING

22

6632823

GASKET liquid - use between Ref. 6 & block, use between Ref. 3 & block

23

6684240

CAP oil fill - W/Ref. 24

24

GASKET

25

EXTENSION NLA - Order 6684241 & Ref. 26

25

6684241

EXTENSION Use W/Ref. 26

26

6684242

WASHER

Выбрано товаров: 28