Качественные детали и логистика
Оригинальные и аналоговые запчасти с доставкой по России, Казахстану и Беларуси
©2022 PartSell ООО "Система" ИНН 2463123282 ОГРН 1212400004838
Центральный офис: г. Красноярск, Академика Киренского, д.87, пом.4
Телефон: 8 (800) 777-65-74 Email: zakaz@partsell.ru
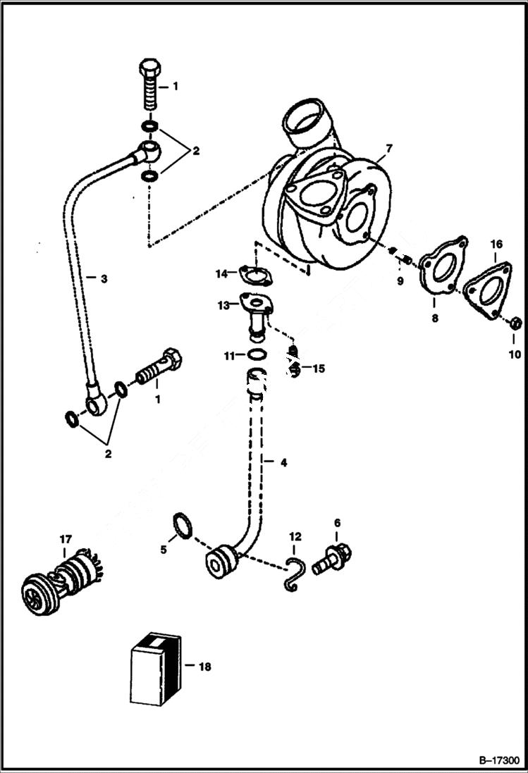
TURBOCHARGER
№
Артикул
Название
Примечание
Количество
1
6666396
SCREW
2
2FM12155
WASHER
3
6668948
TUBE oil lubricating
4
6668106
TUBE oil return
5
6666401
O-RING green
6
6668938
BOLT
7
6677575
6666520REM
TURBOCHARGER, DEUTZ 1011 Was 6677575REM - A
6677575EF
8
6665910
GASKET
9
6666407
STUD
10
6666398
NUT
11
6668109
O-RING
12
6666509
RETAINER
13
6677576
FLANGE
14
6677577
15
6677578
16
6673169
17
CORE NLA - turbocharger - Order Ref. 7
18
6668895
REPAIR KIT turbocharger - includes snap ring, O-ring, & (3) bolts
Выбрано товаров: 0