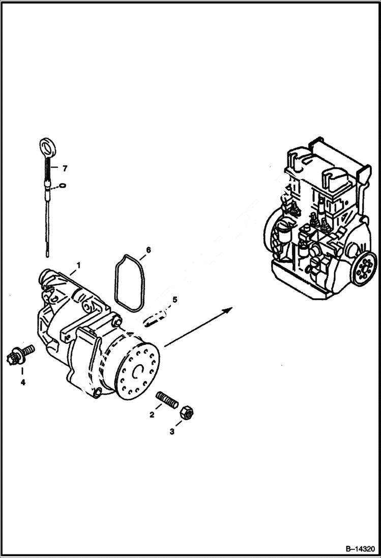
Запчасти Bobcat S-Series OIL PUMP POWER UNIT

Схема запчастей Bobcat S-Series - OIL PUMP POWER UNIT
FIT
1:1
100%

Артикул

Название

Примечание

Количество

1

6669530

PUMP oil - W/Ref. 2 & 3

2

6668936

SET SCREW

3

1DM6

NUT

4

6688185

BOLT Was 6666708 - A

5

6666750

PIN

6

6666760

SEAL RING

7

6669531

DIPSTICK

Выбрано товаров: 7