Запчасти Bobcat S-Series OIL PUMP REPLACEMENT ENGINE

Схема запчастей Bobcat S-Series - OIL PUMP REPLACEMENT ENGINE
FIT
1:1
100%

Артикул

Название

Примечание

Количество

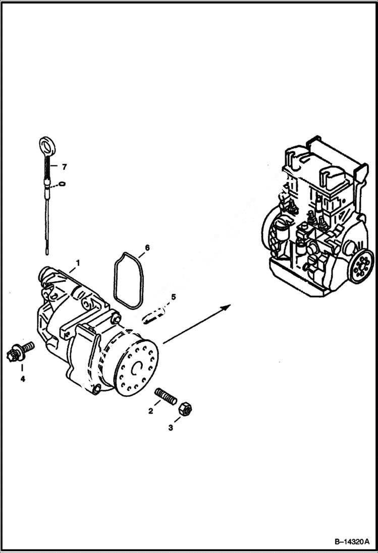
1

6688270

OIL PUMP W/Ref. 2 & 3 - Was 7018616 - A

2

6688144

SET SCREW

3

1DM6

NUT

4

6688145

BOLT

5

6666750

PIN

6

6666760

SEAL RING

7

DIPSTICK See Illustration CRANKCASE & OIL PAN/ NA2766

Выбрано товаров: 0