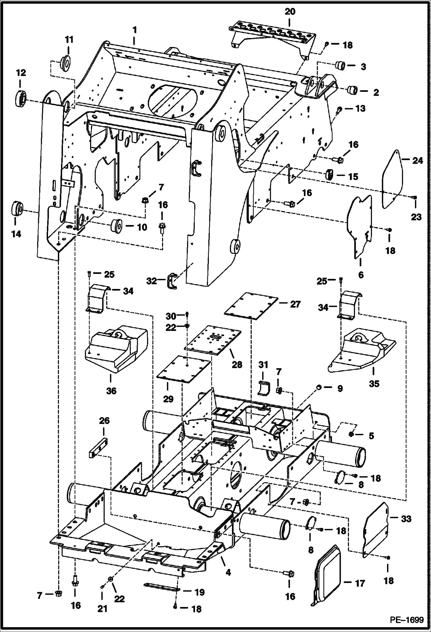
Запчасти Bobcat S-Series MAIN FRAME MAIN FRAME

Схема запчастей Bobcat S-Series - MAIN FRAME MAIN FRAME
FIT
1:1
100%

Артикул

Название

Примечание

Количество

1

MAIN FRAME NLA - Order 7101453 & 7166136 adapter for the cooling fan - modify the crossmember for radiator - Was 6731768 - A

1

7101453

MAIN FRAME

1

7114934

STOP See BTI379 weld on - 1'' thick - Was 6733784 - A

2

6717277

BUSHING, WELD-ON weld-on

3

6717278

BUSHING, WELD-ON

4

CHAINCASE See Illustration DRIVE TRAIN/ PE1537 FRAME ONLY

5

83D8

NUT 5

6

COVER NLA - Order 6736768 - use as a template to drill mounting holes - Was 6731649 - A

6

6736768

COVER

7

53D12

NUT Was 83D000012B - B

8

6730078

COVER

9

6731121

PLUG chaincase fill

10

6730785

BUSHING inside upright weld-on

11

6729401

BUSHING inside upright weld-on

12

6729402

BUSHING outside upright weld-on

13

31C824

BOLT 10

14

6730784

BUSHING outside upright weld-on

15

6718796

PLUG Bobcat head

16

31C1228

BOLT

17

6719168

COVER 2-speed

18

84G3712

BOLT 5

19

6700182

COVER, DRAIN

20

6732577

STEP, MFR

21

6599645

PLUG, STEEL chaincase drain

22

6553411

BUSHING

22

6553411

BUSHING

23

84G3708

SCREW

24

6730783

COVER

25

45C616

BOLT

26

6706857

BLOCK threaded

27

COVER See Illustration DISC BRAKE/ PE1542

28

COVER See Illustration DISC BRAKE/ PE1542

29

COVER See Illustration DISC BRAKE/ PE1542

30

BREATHER See Illustration DISC BRAKE/ PE1542

31

6706485

HOOK tie down - weld-on

32

6708987

HINGE, WELD-ON

33

6719201

COVER single speed

34

6733774

BRACKET

35

6733775

COUNTERWEIGHT RH

36

6733780

COUNTERWEIGHT LH

Выбрано товаров: 0