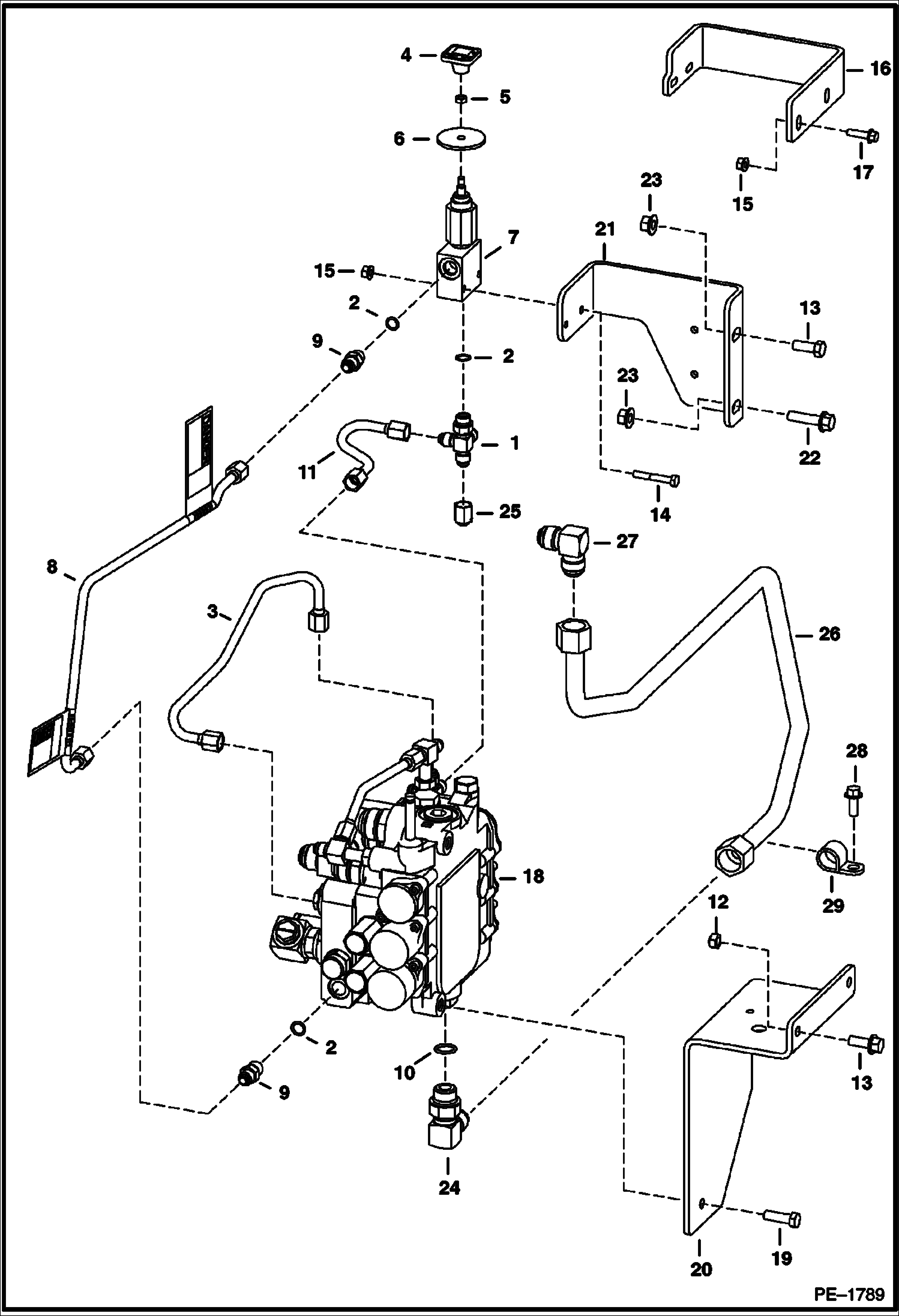
Запчасти Bobcat S-Series LIFT & TILT CONTROL CIRCUITRY (S/N 521311001, 521411001, 521511001, 521611001) (S/N 525814999, 525911999, 526015999, 526111999 & Below) HYDRAULIC SYSTEM

Схема запчастей Bobcat S-Series - LIFT & TILT CONTROL CIRCUITRY (S/N 521311001, 521411001, 521511001, 521611001) (S/N 525814999, 525911999, 526015999, 526111999 & Below) HYDRAULIC SYSTEM
FIT
1:1
100%

Артикул

Название

Примечание

Количество

1

21KB0606

FTG HYD STRAIGHT TEE W/Ref. 2 - tapered boss face - Was 21KV00005B - A

1

97K8

O-RING flared end

1

21KB0606

FTG HYD STRAIGHT TEE W/Ref. 2 - flat boss face

1

6725182

TEE W/Ref. 2 - flat boss face

2

99K6

O RING tapered boss face

2

79K6

O RING 10 flat boss face

3

6732458

TUBELINE

4

6737524

KNOB red square - Was 6668913 - A

5

7D4

NUT

6

6707101

SEAL neoprene

7

7230495

VALVE, LIFT MANUAL See Illustration MANUAL LIFT RELEASE VALVE/ PE1547 - manual lift release - Was 6667844 - A

8

7101184

TUBELINE available only as an assembly W/two danger decals installed - Was 6732455 - A

8

6809511

DECAL, DANGER

9

ADAPTER NLA - W/Ref. 2 - tapered boss face - Order 15KB00606B - Was 15KV00005B - A

9

97K6

O RING flared end

9

15KB0606

FITTING, HYD CONNECTOR W/Ref. 2 - flat boss face

10

79K12

O RING 10

11

TUBELINE NLA - Order 7109647 - Was 6732464 - A

11

7109647

HOSE

12

85D6

NUT, 5

13

35C616

BOLT 5

13

35C616

BOLT 5

14

17C428

BOLT

15

83D4

NUT 10

16

6719936

BRACKET

17

35C416

BOLT

18

VALVE See Illustration HYDRAULIC CONTROL VALVE/ MS1600 See Illustration HYDRAULIC CONTROL VALVE/ PE1935 CONTROL

19

17C620

BOLT Was 6717378 - A

20

6735728

MOUNT Was 6727751 - A

21

6718881

BRACKET

22

17C624

BOLT 5

23

83D6

NUT 5

24

6812141

ELBOW W/Ref. 10

25

36K5

CAP

26

6735295

TUBELINE

27

77F8

ELBOW

28

84G3716

SCREW 5

29

30H46

CLIP

Выбрано товаров: 0