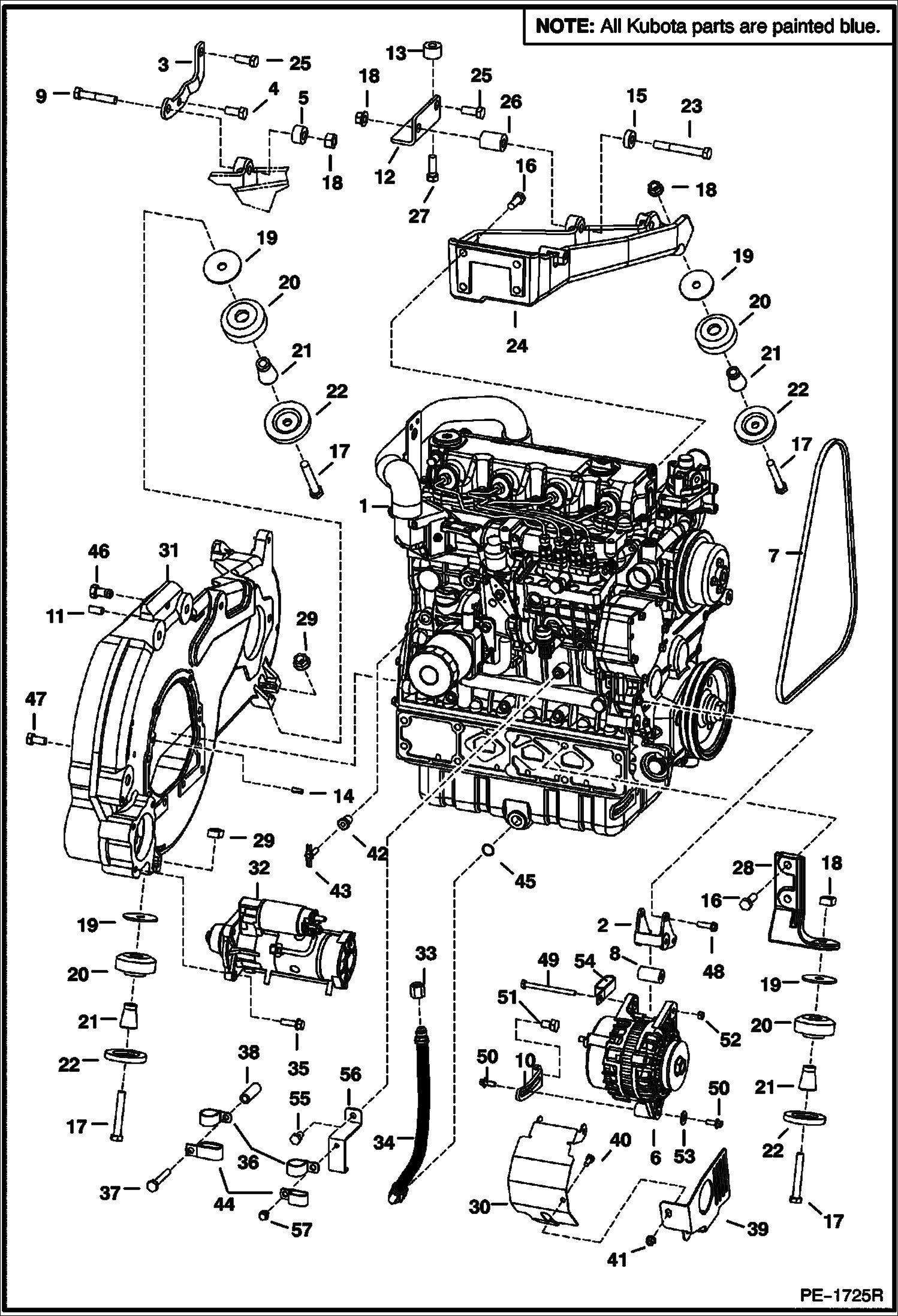
Запчасти Bobcat S-Series ENGINE & ATTACHING PARTS (Engine Mounts) (S/N 521311001, 521411001, 521511001, 521611001 & Above ) (S/N 525817541, 525912263, 526018762, 526112305 & Below) POWER UNIT

Схема запчастей Bobcat S-Series - ENGINE & ATTACHING PARTS (Engine Mounts) (S/N 521311001, 521411001, 521511001, 521611001 & Above ) (S/N 525817541, 525912263, 526018762, 526112305 & Below) POWER UNIT
FIT
1:1
100%

Артикул

Название

Примечание

Количество

1

ENGINE See Illustration ENGINE & UPPER GASKET KIT/ B26841 See Illustration ENGINE & UPPER GASKET KIT/ B26844

2

6680839

BRACKET See Illustration FRONT COVER/ B17609 alternator

3

BRACKET See Illustration ENGINE MOUNTS/ PE3341 - pump - for SJC pump

4

17C816

BOLT for selectable joystick control

5

6736349

SPACER for selectable joystick control

6

ALTERNATOR See Illustration ALTERNATOR/ C3529

7

6686655

BELT alt/water pump - Was 6677824 - A

8

6732206

SPACER alternator -tier I

9

6675221

BOLT for selectable joystick control

10

6732193

BRACKET

11

20JM1025

DOWEL PIN

12

BRACKET See Illustration ENGINE MOUNTS/ PE3341 - for manual control pump

13

SPACER See Illustration ENGINE MOUNTS/ PE3341

14

6680642

PIN align Ref. 30 to the engine

15

6716408

SPACER

16

6719829

BOLT

17

43C852

BOLT

18

83D8

NUT 5

19

6731146

WASHER 2.5'' (63,5mm) O.D.

19

6705106

WASHER 3'' (76,2 mm) OD

20

6668104

MOUNT, ENG

21

7110276

SPACER, TAPERED tapered - Was 6715287 - A

22

6661787

WASHER

23

17C864

BOLT

23

17C888

BOLT

24

MOUNT See Illustration ENGINE MOUNTS/ PE3341 - engine/pump

25

17C820

BOLT

26

SPACER See Illustration ENGINE MOUNTS/ PE3341

27

BOLT See Illustration ENGINE MOUNTS/ PE3341

28

MOUNT NLA - cast - Use W/ 6731146 washer - Was 6728721 - A

28

6735346

MOUNT cast - Use W/ 6735106 washer

29

6652918

NUT

30

6733873

SHIELD alternator

31

7141328

MOUNT ENGINE Was 6735980 - A

32

STARTER See Illustration STARTER/ B16488R

33

36K6

CAP

34

6732476

HOSE, DRAIN OIL ENG 15.5'' (394mm) long - tier I

34

6734573

HOSE, ENG OIL DRAIN 12.5'' (318mm) long - tier II

35

35C620

BOLT 5

36

30H73

CLAMP

37

6731198

BOLT

38

SPACER NLA - Order Ref. 55 - 57 - Was 6731109 - A

39

6734436

SHIELD alt belt

40

17C510

BOLT

41

83D5

NUT 5

42

7101136

BUSHING Was 19F000002B - A

43

72F1

FITTING

44

31H38

CLAMP

45

79K8

O RING 10

46

31C820

BOLT

47

6719828

BOLT

48

6680687

BOLT

49

1CM8100

SCREW

50

29CM820

SCREW

51

6CM1220

BOLT

52

53DM8

NUT

53

6E5

WASHER

54

31H38

CLAMP

55

5CM1020

SCREW

56

7112683

BRACKET

57

84G3108

BOLT

Выбрано товаров: 61