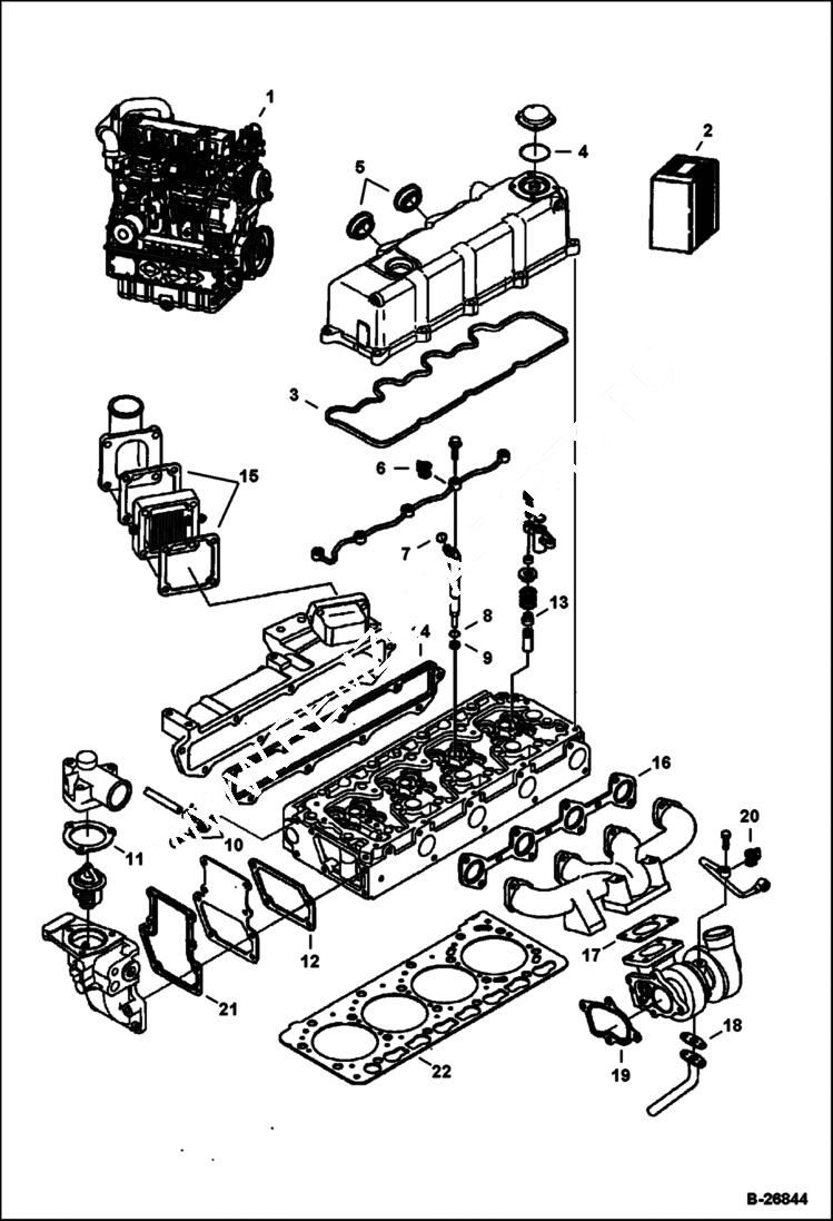
Запчасти Bobcat S-Series ENGINE & UPPER GASKET KIT (S/N 5213, 5214, 5215, 5216) (V3300 DI T Kubota) (Tier I) POWER UNIT

Схема запчастей Bobcat S-Series - ENGINE & UPPER GASKET KIT (S/N 5213, 5214, 5215, 5216) (V3300 DI T Kubota) (Tier I) POWER UNIT
FIT
1:1
100%

Артикул

Название

Примечание

Количество

1

ENGINE NLA - 74.9 HP - S250 - charcoal gray - 1G566-00000 - complete - includes turbocharger, fuel injection pump, intake & exhaust manifolds - Order 6684576 , also Order 29'' of 6577822 fuel hose

1

ENGINE NLA - 80.8 HP - S300 - blue - 1G565-00000 - complete - includes turbocharger, fuel injection pump, intake & exhaust manifolds - Order 6684577 , also Order 29'' of 6577822 fuel hose, 9.25''

2

GASKET KIT NLA - upper gasket - Ref. 3-20 - order individual components

3

6680690

GASKET See Illustration CYLINDER HEAD & COVER/ B17604 - head cover

4

6680691

O-RING See Illustration CYLINDER HEAD & COVER/ B17604

5

6680695

SEAL See Illustration CYLINDER HEAD & COVER/ B17604 - injection pipe

6

6685498

GASKET See Illustration FUEL INJECTION SYSTEM/ B17612 - overflow pipe

7

6680778

O-RING See Illustration FUEL INJECTION SYSTEM/ B17612

8

6670769

O-RING See Illustration FUEL INJECTION SYSTEM/ B17612

9

6680779

GASKET See Illustration FUEL INJECTION SYSTEM/ B17612 - nozzle

10

3974095

MET-GASK See Illustration FUEL INJECTION SYSTEM/ B17612 copper - Was 6680792 - A

11

7020988

GASKET See Illustration WATER PUMP & THERMOSTAT/ B17610 - thermostat cover - Was 6680844 - A

12

6680849

GASKET See Illustration WATER PUMP & THERMOSTAT/ B17610 - water flange

13

6672436

SEAL See Illustration CYLINDER HEAD/ B17605 - valve stem

14

6680884

GASKET See Illustration MANIFOLDS/ B17602 - intake manifold

15

6680887

GASKET See Illustration MANIFOLDS/ B17602 - intake flange - Was 6685960 - A

16

6680891

GASKET See Illustration MANIFOLDS/ B17602

17

7008514

GASKET, TURBO See Illustration TURBOCHARGER/ B17603 Was 6680893 - A

18

6680570

GASKET See Illustration TURBOCHARGER/ B17603 - turbo to return oil pipe - Was 6685964 - A

19

6729875

GASKET See Illustration ENGINE & ATTACHING PARTS/ PE1667 - turbo to exhaust flange

20

6675623

GASKET See Illustration TURBOCHARGER/ B17603 - turbo to supply oil pipe - Was 6680567

21

6680848

GASKET See Illustration WATER PUMP & THERMOSTAT/ B17610 - water flange

22

GASKET See Illustration CYLINDER HEAD & COVER/ B17604 - cylinder head - order seperately

Выбрано товаров: 23