Качественные детали и логистика
Оригинальные и аналоговые запчасти с доставкой по России, Казахстану и Беларуси
©2022 PartSell ООО "Система" ИНН 2463123282 ОГРН 1212400004838
Центральный офис: г. Красноярск, Академика Киренского, д.87, пом.4
Телефон: 8 (800) 777-65-74 Email: zakaz@partsell.ru
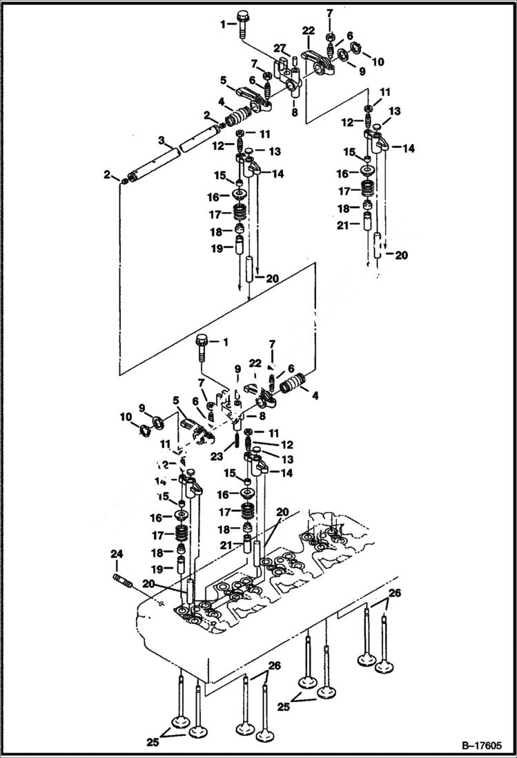
CYLINDER HEAD (S/N 5213, 5214, 5215, 5216) (V3300 DI T Kubota) (Tier I)
№
Артикул
Название
Примечание
Количество
1
6680878
BOLT
2
25GM8010
SCREW Was 6655894 - A
3
6680868
SHAFT W/Ref. 2
4
6680872
SPRING
5
6680873
ROCKER ARM intake - W/Ref. 6 & 7
6
3974920
SCREW adjusting
7
2DM8
NUT Was 6680874 - A
8
6680869
BRACKET rocker arm
9
6680870
WASHER
10
6680871
SNAP RING
11
6680881
NUT
12
6680880
13
7000665
PAD, WEAR Was 6680882 - A
14
6698524
ARM, VALVE BRIDGE valve bridge - W/Ref. 11 & 12 - Was 6680879 - A
15
7008389
RETAINER, VALVE SPRING valve spring - set - Was 3974161 - A
16
6685959
RETAINER valve spring - Was 6652616 - A
17
6680863
VALVE SPRING
18
6672436
SEAL valve stem
19
6680859
GUIDE inlet valve
20
6680866
SHAFT valve
21
6685958
GUIDE exhaust valve - Was 6680860 - A
22
6680875
ROCKER ARM exhaust - W/Ref. 6 & 7
23
6667461
PIN
24
6680867
STUD
25
6680861
VALVE intake
26
6680862
VALVE exhaust
27
6680877
Выбрано товаров: 0