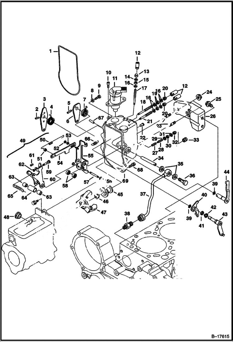
Запчасти Bobcat S-Series GOVERNOR (S/N 5213, 5214, 5215, 5216) (V3300 DI T Kubota) (Tier I) POWER UNIT

Схема запчастей Bobcat S-Series - GOVERNOR (S/N 5213, 5214, 5215, 5216) (V3300 DI T Kubota) (Tier I) POWER UNIT
FIT
1:1
100%

Артикул

Название

Примечание

Количество

1

6680829

GASKET

2

6680769

PIN

3

6693487

KIT, LEVER speed control - W/Ref. 4 - Was 6680768 - A

4

SPRING NLA - Order Ref. 3 - Was 6680767 - A

5

6680773

PIN

6

6680772

LEVER engine stop

7

6598702

SPRING Was 6680771 - A

8

1DM6

NUT

9

6652712

STOPPER Was 6680834 - A

10

6680750

SCREW

11

SOLENOID See Illustration ENGINE ELECTRICAL CIRCUITRY/ PE3114

12

6672384

CAP, SECURITY

13

6670426

NUT

14

3974095

MET-GASK copper - Was 6680792 - A

15

6657459

NUT Was 6680499 - A

16

3974972

GASKET

17

3974970

BOLT adjusting

18

6680833

SCREW adjusting

19

6680272

NUT

20

6670462

NUT

21

6680832

SCREW adjusting

22

6652592

PIN Was 6680774 - A

23

6680828

STUD

24

6680663

NUT

25

6653579

BOLT Was 6680713 - A

26

6680907

BRACKET injection pump

27

SPRING NLA - Was 6680835 - A

28

6670425

SCREW adjusting - W/Ref. 27

29

3974095

MET-GASK copper - Was 6680792 - A

30

6599085

NUT Was 6680836 - A

31

3974972

GASKET

32

6670462

NUT

33

6670427

CAP, SECURITY

34

6680824

SHAFT

35

6685962

WASHER, SEALING ALUMINUM consists of 2 gaskets attached by a tab - Was 6675623 - A

36

6680900

BOLT Was 6680906 - A

37

6680905

TUBE

38

6680904

ADAPTER

39

3974280

O RING

40

6680764

LEVER stop

41

6680766

WASHER

42

6680765

SNAP RING

43

6680763

LEVER

44

6680770

LEVER engine stop

45

6680761

SLEEVE governor

46

6680759

NUT

47

6680758

WEIGHT

48

6680757

COVER

49

6680819

LEVER assy. - Ref. 50-65

50

6680826

SPRING

51

6680831

NUT

52

6680821

SNAP RING

53

6680820

WASHER

54

BRACKET NSS

55

LEVER NSS

56

6680822

SNAP RING

57

ROD NSS

58

BEARING NSS

59

BOLT NSS

60

LEVER NSS

61

SPRING NSS

62

6680823

SNAP RING

63

BUSHING NSS

64

TUBE NSS

65

6680825

SPRING

66

6680827

SPRING

67

6680775

PIN

68

6680830

BOLT

69

6680762

HOUSING

Выбрано товаров: 69