Запчасти Bobcat S-Series FUEL INJECTION SYSTEM (S/N 5213, 5214, 5215, 5216) (V3300 DI T Kubota) (Tier I) POWER UNIT

Схема запчастей Bobcat S-Series - FUEL INJECTION SYSTEM (S/N 5213, 5214, 5215, 5216) (V3300 DI T Kubota) (Tier I) POWER UNIT
FIT
1:1
100%

Артикул

Название

Примечание

Количество

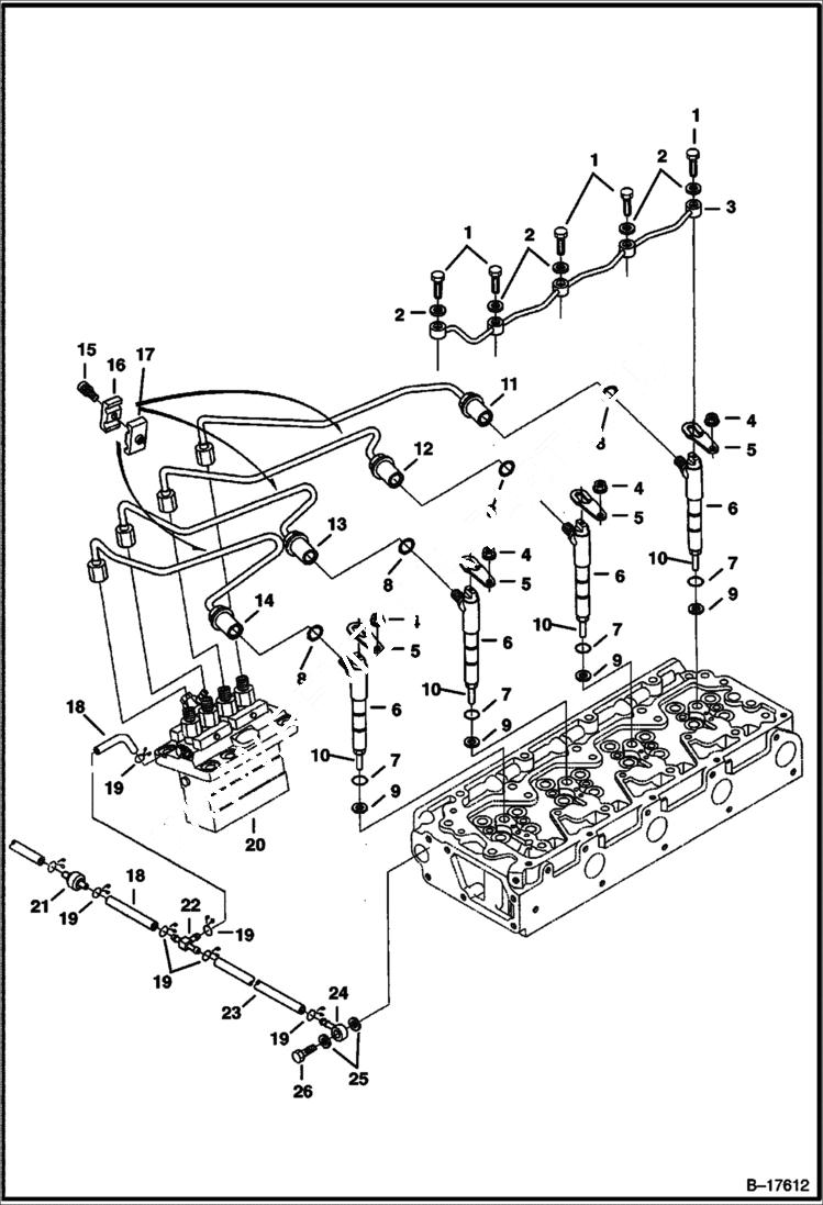
1

6680788

BOLT

2

6685498

GASKET Was 6680789 - A

3

6680787

PIPE

4

6680663

NUT

5

6680780

CLAMP hold down

6

6680776

INJECTOR W/Ref. 10

6

6680776REM

NOZZLE, FUEL INJ. KUBOTA V3300DI

7

6670769

O-RING

8

6680778

O-RING

9

6680779

GASKET

10

NOZZLE NLA - Order Ref. 6 - Was 6680777 - A

11

6680784

TUBE

12

6680783

TUBE

13

6680782

TUBE

14

6680781

TUBE

15

3974260

SCREW

16

6680786

CLAMP

17

6680785

CLAMP

18

6680794

HOSE

19

6654718

CLAMP pipe - Was 6680795 - A

20

PUMP See Illustration FUEL INJECTION PUMP/ B17614 injection

21

6680796

VALVE check

22

6680797

TEE

23

6680793

HOSE

24

6680790

FITTING

25

3974095

MET-GASK copper - Was 6680792 - A

26

7022765

BOLT, EYE Was 6680791 - A

Выбрано товаров: 27