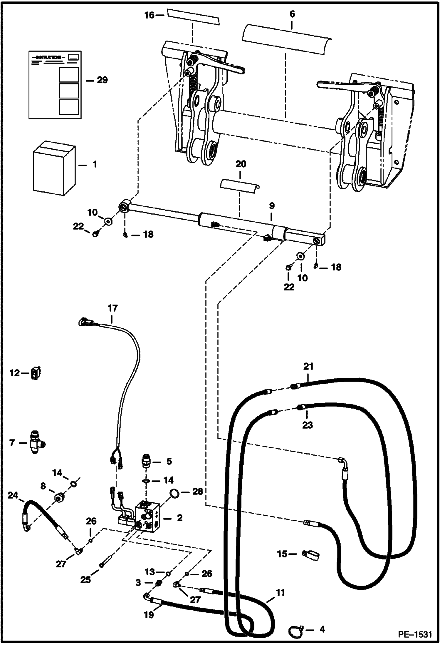
Запчасти Bobcat S-Series POWER BOB-TACH KIT (Hydraulic Assisted) (S/N 521315299, 521411321, 521512918, 521611081 & Below) ACCESSORIES & OPTIONS

Схема запчастей Bobcat S-Series - POWER BOB-TACH KIT (Hydraulic Assisted) (S/N 521315299, 521411321, 521512918, 521611081 & Below) ACCESSORIES & OPTIONS
FIT
1:1
100%

Артикул

Название

Примечание

Количество

1

KIT NLA - Ref. 2-28 - Order 6735477 kit - Was 6732355 - A

2

MANIFOLD See Illustration POWER BOB-TACH/ MS1263

3

ADAPTER NLA - W/Ref. 13 - tapered boss face - Was 15KV00005B - A

3

97K6

O RING flared end

3

15KB0606

FITTING, HYD CONNECTOR W/Ref. 13 - flat boss face

4

6624289

STRAP, TIE

5

ADAPTER NLA - W/Ref. 14 - tapered boss face - Was 15KN00008B - A

5

97K12

O'RING flared end

5

15KB1212

FITTING, HYD CONNECTOR W/Ref. 14 - flat boss face

6

6725907

DECAL, OPERATION power Bob-Tach

7

TEE NLA - for standard machine W/rear auxiliaries - Was 14KN00005B - A

7

97K6

O RING flared end

7

14K5

TEE for standard machine W/ rear auxiliaries

8

ADAPTER NLA - W/Ref. 14 - tapered boss face - Was 6715186 - A

8

97K6

O RING flared end

8

15KB0612

FITTING, HYD CONNECTOR W/Ref. 14 - flat boss face

9

CYLINDER See Illustration POWER BOB-TACH/ PE1064

10

619021

WASHER, 5

11

6731469

HOSE 76'' (1930mm) long

11

6726987

HOSE 59'' (1499mm) long

12

6676732

SWITCH vertical

13

99K6

O RING tapered boss face

13

79K6

O RING 10 flat boss face

14

99K12

O RING tapered boss face

14

79K12

O RING 10 flat boss face

15

31H42

CLIP

16

6719888

DECAL

17

6730770

HARNESS

18

11H25

FITTING10

19

6731468

HOSE 81'' (2057mm) long

19

6731082

HOSE 61'' (1550mm) long

20

6554100

TREAD 76,2 x 152,4 mm (3 x 6'')

21

6731471

HOSE 121'' (3073mm) long

21

6733629

HOSE, HYD ASSY 141'' (3581 mm) long

22

35C612

BOLT

23

6731470

HOSE 130'' (3302mm) long

23

6733630

HOSE 150'' (3810 mm) long

24

6806403

HOSE

25

73G656

SCREW

26

99K4

O'RING tapered boss face

26

79K4

O RING 10 flat boss face

27

ELBOW NLA - W/Ref. 26 - tapered boss face - Was 17KV00003B - A

27

97K4

O'RING flared end

27

17KB0404

FTG HYD ELBOW 90 W/Ref. 26 - flat boss face

28

55K214

O-RING

29

6901710

INSTRUCTIONS

Выбрано товаров: 46