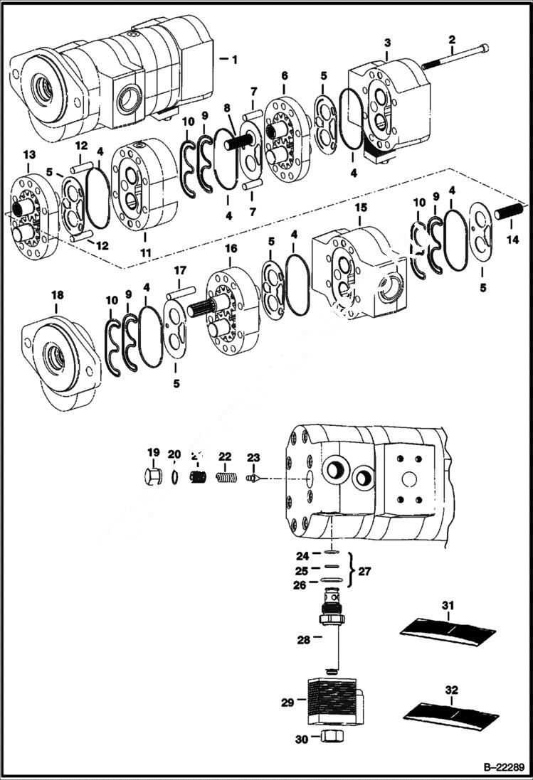
Запчасти Bobcat S-Series HIGH FLOW HYDRAULICS (Triple Gear Pump) HIGH FLOW HYDRAULICS

Схема запчастей Bobcat S-Series - HIGH FLOW HYDRAULICS (Triple Gear Pump) HIGH FLOW HYDRAULICS
FIT
1:1
100%

Артикул

Название

Примечание

Количество

1

PUMP See Illustration HIGH FLOW HYDRAULICS/ B22288 NLA - 163D1299 - for hydrostatic pump 6681930 (4445138) - Order 6684635 gear pump - Was 6683237 - A

2

BOLT NSS

3

BODY NSS

4

SEAL NSS - section

5

WEAR PLATE NSS

6

SECTION NSS

7

PIN NSS

8

SHAFT NSS

9

SEAL NSS - load

10

SEAL NSS - pre-load

11

BODY NSS

12

PIN NSS

13

SECTION NSS

14

SHAFT NSS

15

BODY NSS

16

SECTION NSS

17

PIN NSS

18

COVER NSS

19

6684589

CAP

20

GASKET NSS

21

SET SCREW NLA - Was 6684588 - A

22

SPRING NSS

23

RELIEF VALVE NSS

24

O-RING NSS

25

WASHER NSS - back-up

26

O-RING NSS

27

6683206

SEAL KIT Ref. 24-26

28

6685027

VALVE Was 6684587 - A

29

6681491

COIL

30

6681492

NUT

31

6682259

SEAL KIT Ref. 4, 5, 9 & 10

32

6684973

SERVICE KIT Ref. 20, 22-26 & 30

Выбрано товаров: 32