Запчасти Bobcat S-Series GOVERNOR (V3800 T Kubota) POWER UNIT

Схема запчастей Bobcat S-Series - GOVERNOR (V3800 T Kubota) POWER UNIT
FIT
1:1
100%

Артикул

Название

Примечание

Количество

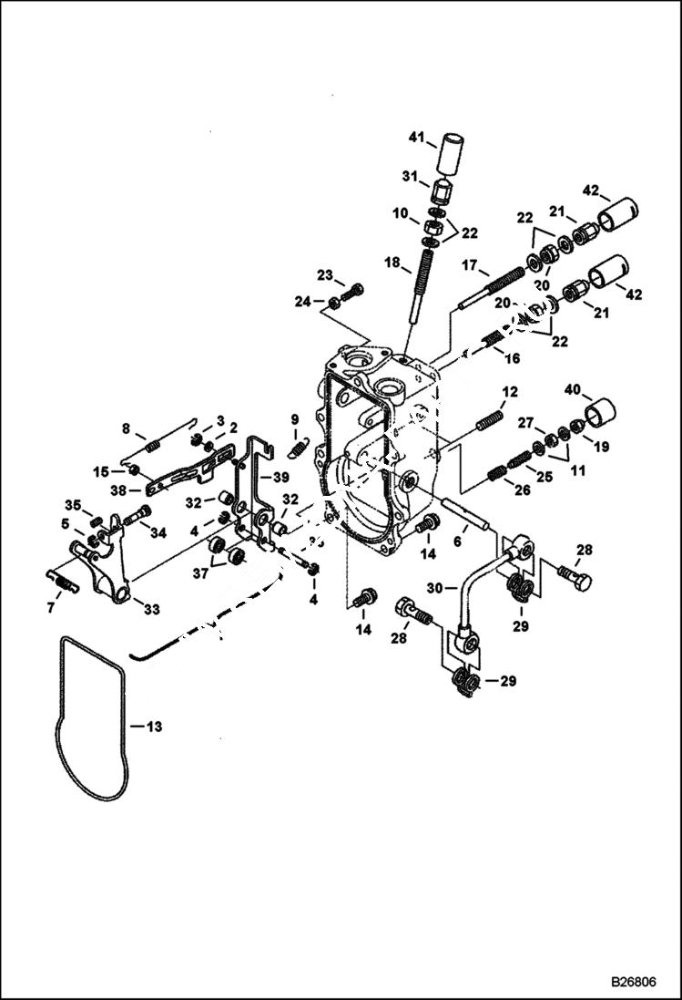
1

6699734

LEVER ASSY Ref. 2-5, 15 & 31-39 - Was 6689314 - A

1

7008651

LEVER, FORK ASSY Ref. 2-5, 15 & 31-39

2

6680820

WASHER

3

6680821

SNAP RING

4

6680822

SNAP RING

5

6680823

SNAP RING

6

6689318

SHAFT, FORK LEVER

7

6689315

SPRING, GOVERNOR

7

7008575

SPRING, GOVERNOR

8

6689316

SPRING, START

9

6680827

SPRING

10

6657459

NUT Was 6680499 - A

11

3974095

MET-GASK

12

6680828

STUD

13

6680829

GASKET

14

6680830

BOLT

15

6685952

NUT

16

6680832

SCREW adjusting

17

6680833

SCREW adjusting

18

6686985

BOLT, ADJUSTING adjusting

19

6670426

NUT

20

6680272

NUT

21

6657470

NUT

22

3974972

GASKET

23

6652712

STOPPER Was 6680834 - A

24

1DM6

NUT

25

6689311

ASSY BOLT, ADJUSTMENT adjusting - W/Ref. 26 & 27

26

SPRING NSS Order Ref.25

27

6599085

NUT

28

6680900

BOLT

29

6685962

WASHER, SEALING ALUMINUM consists of 2 gaskets attached by a tab

30

6685966

TUBE

31

6657470

NUT

32

BUSHING NSS

33

LEVER NSS

34

BOLT NSS

35

SPRING NSS

36

ROD NSS

37

BEARING NSS

38

BRACKET NSS

39

LEVER NSS

40

6670427

CAP, SECURITY security

41

CAP NLA - security

42

6672384

CAP, SECURITY security

Выбрано товаров: 44