Запчасти Bobcat S-Series HYDROSTATIC PUMP (Selectable Joystick Controls) (S/N A5HA11001 - 35031, AAKM11001 - 35008) HYDROSTATIC SYSTEM

Схема запчастей Bobcat S-Series - HYDROSTATIC PUMP (Selectable Joystick Controls) (S/N A5HA11001 - 35031, AAKM11001 - 35008) HYDROSTATIC SYSTEM
FIT
1:1
100%

Артикул

Название

Примечание

Количество

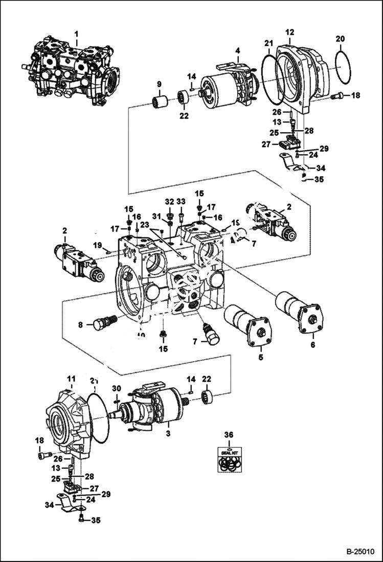
1

PUMP, HYD TANDEM See Illustration HYDROSTATIC PUMP/ NA2245 NLA - Model R902095064 - Order 7170197 pump and 7169309 harness - Was 6686267 - A

2

6687970

MODULATOR See Illustration HYDROSTATIC PUMP/ B25016 - Model R902095064

3

6687957

GROUP, ROTATING See Illustration HYDROSTATIC PUMP/ B25011 - LH rotation - Modle R902095064

4

6687958

GROUP See Illustration HYDROSTATIC PUMP/ B25012 - RH rotation - Model R902095064

5

6687960

CONTROL See Illustration HYDROSTATIC PUMP/ B25013 Model R902095064

6

6687961

CONTROL See Illustration HYDROSTATIC PUMP/ B25013A Model R902095064

7

6692332

VALVE,RELIEF See Illustration HYDROSTATIC PUMP/ B25014 - preset at 350 bar - Model R902095064

8

6687938

VALVE See Illustration HYDROSTATIC PUMP/ B25015

9

6687941

COUPLER

10

6687964

HOUSING Model R902095064

11

6687973

FLANGE Model R902095064

12

6687974

FLANGE Model R902095064

13

6687965

SHAFT Model R902095064

14

6688011

PIN

15

6682875

PLUG

15

6698343

ORING

16

6682879

PIN

17

6967419

ORIFICE

18

6688008

SCREW

19

6682919

PIN

20

6682949

O-RING

21

6688009

SEAL

22

6688040

BEARING

23

6687932

PIN

24

6687994

SCREW Model R902095064

25

6687990

RING

26

6688014

PIN

27

6687984

SENSOR, PUMP HYD POSITION Model R902095064 - Use W/ 7139761 harness

28

6688007

SEAL

29

6687998

SHIM

30

6J807

KEY, WOODRUFF Was 6687991 - A

31

6687988

FILTER

32

6682877

PLUG

33

6687992

SCREW

34

7131322

COVER

35

6688003

SCREW

36

6689021

SEAL KIT complete

Выбрано товаров: 37