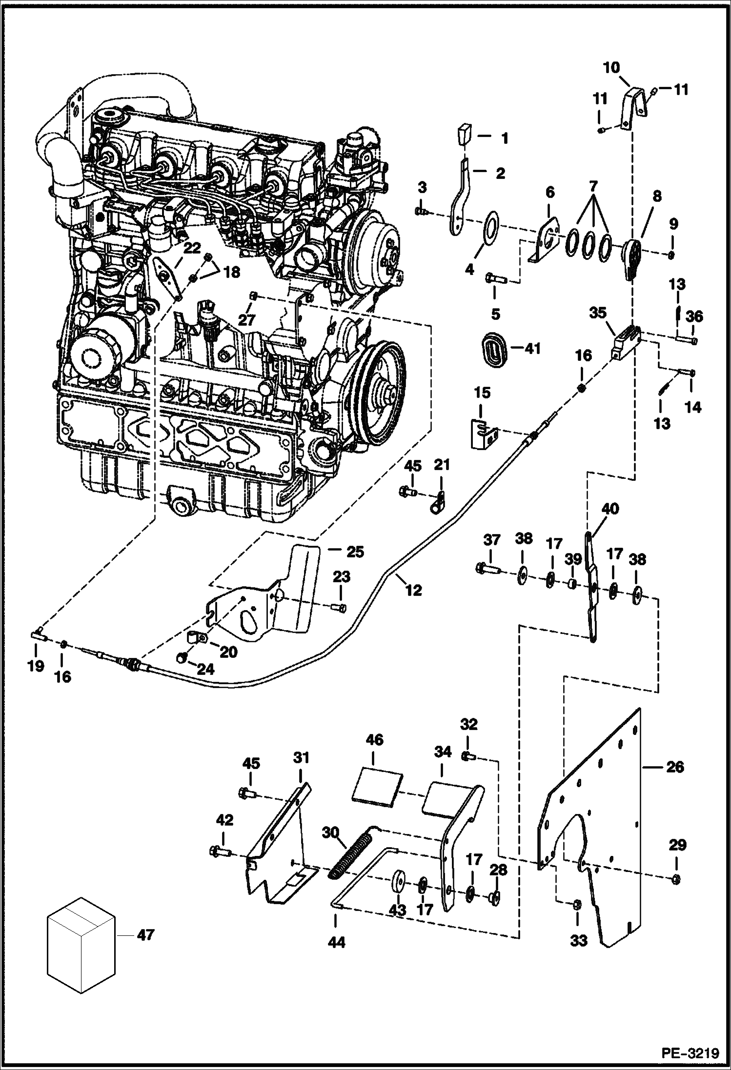
Запчасти Bobcat S-Series ENGINE SPEED CONTROL (Selectable Joystick Control) POWER UNIT

Схема запчастей Bobcat S-Series - ENGINE SPEED CONTROL (Selectable Joystick Control) POWER UNIT
FIT
1:1
100%

Артикул

Название

Примечание

Количество

1

6564452

GRIP

2

6730270

LEVER

3

38C610

BOLT shoulder

4

6567962

WASHER

5

84G3728

BOLT

6

6576262

MOUNT

7

6630945

WASHER

8

6734416

LEVER

9

85D5

NUT 5

10

6576261

COVER

11

6706572

SET SCREW

12

6675668

CABLE, THROTTLE

13

6513495

COTTER PIN

14

2F4051

PIN

15

6732450

BRACKET

16

14D10

NUT

17

6700170

WASHER plastic

18

62D4

NUT

19

6644965

BALL JOINT

20

30H26

CLIP

21

30H31

CLAMP 10

22

LEVER See Illustration GOVERNOR/ B27176 - Ref. 13

23

17C624

BOLT 5

24

84G3110

SCREW

25

7136050

MOUNT

26

PANEL See Illustration PANELS/ PE3717

27

95D6

NUT

28

6559479

NUT retaining

29

85D6

NUT, 5

30

6700743

SPRING

31

6732323

BRACKET

32

84G3712

BOLT 5

33

95D6

NUT

34

6735680

FOOT PEDAL

35

6734503

CLEVIS

36

1304227

PIN

37

84G3720

BOLT

38

619021

WASHER, 5

39

6564343

SPACER

40

6734417

LEVER

41

6577961

GROMMET

42

45C616

BOLT

43

6732322

SPACER

44

6731900

ROD

45

84G3712

BOLT 5

46

6554100

TREAD 76,2 x 152,4 mm (3 x 6'')

Выбрано товаров: 46