Запчасти Bobcat S-Series LOWER GASKET KIT POWER UNIT

Схема запчастей Bobcat S-Series - LOWER GASKET KIT POWER UNIT
FIT
1:1
100%

Артикул

Название

Примечание

Количество

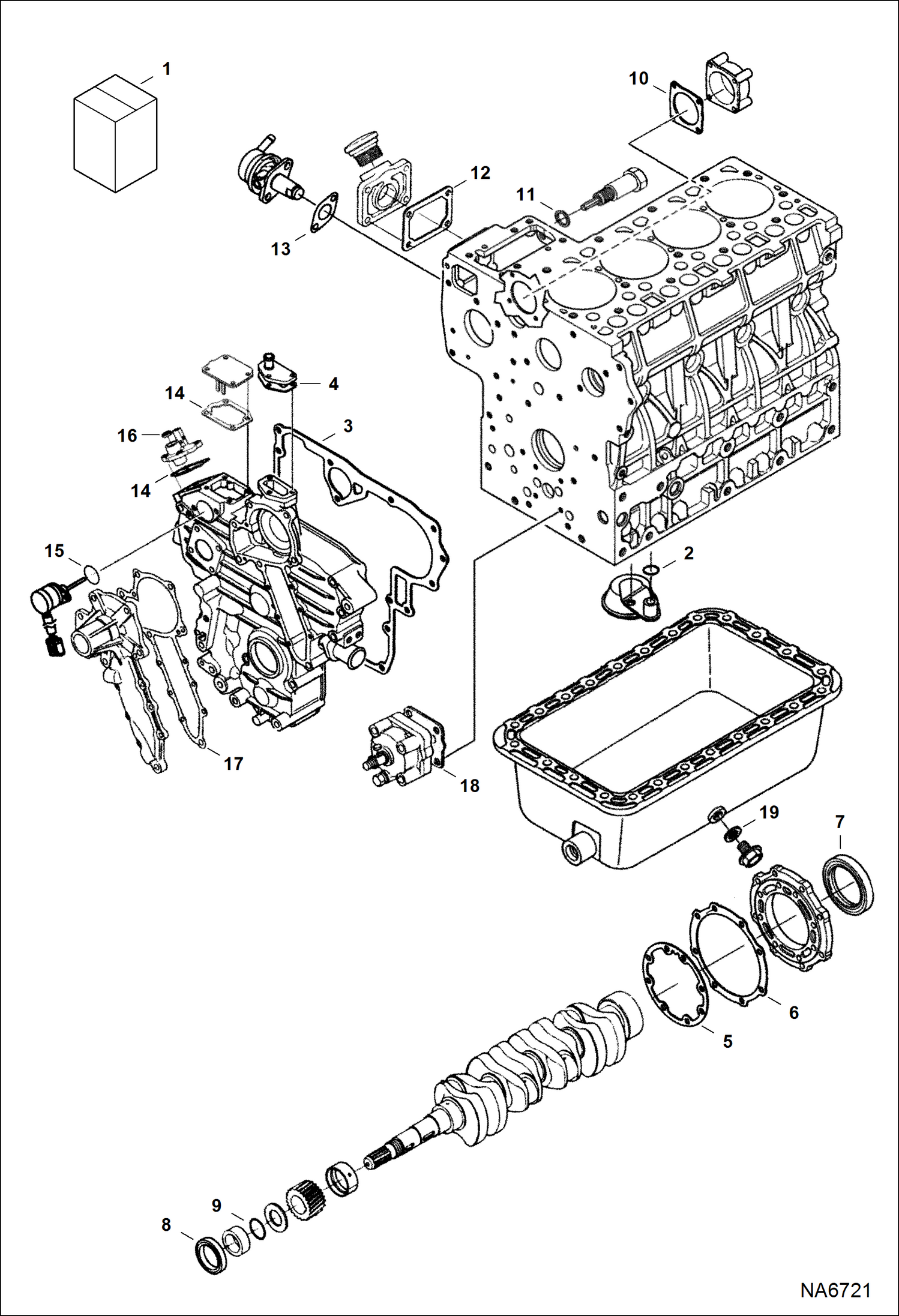
1

7013263

KIT, GASKET ENG LOWER Ref. 2-19

2

6684754

O-RING See Illustration OIL PAN/ NA6705 - oil screen

3

7010599

GASKET, GEARCASE See Illustration GEARCASE/ NA2518

4

6666803

GASKET See Illustration GEARCASE/ NA2518 - return flange

5

6684788

GASKET See Illustration PISTON & CRANKSHAFT/ B27068 - bearing case

6

6666814

GASKET See Illustration PISTON & CRANKSHAFT/ B27068 - case cover

7

6684789

SEAL See Illustration PISTON & CRANKSHAFT/ B27068 - oil

8

7024826

SEAL, OIL See Illustration PISTON & CRANKSHAFT/ B27068 - frt main

9

3974577

O RING See Illustration PISTON & CRANKSHAFT/ B27068 - crankshaft frt

10

6692386

GASKET See Illustration FUEL CAMSHAFT/ B27069 - fuel camshaft cover

11

6684818

SEAL See Illustration SPEED CONTROL PLATE/ B27076 - idle adj. bolt

12

6666783

GASKET See Illustration CRANKCASE/ B27063 - pump cover

13

6686037

GASKET See Illustration FUEL AND INJECTION PUMP/ B27077 - fuel pump

14

6684841

GASKET See Illustration ENGINE STOP LEVER/ B27074 - plate

15

6685465

O-RING See Illustration ENGINE STOP LEVER/ B27074 - stop solenoid

16

6685476

SEAL See Illustration SPEED CONTROL PLATE/ B27076 - speed control lever

17

6684870

GASKET See Illustration WATER PUMP/ B27071 - water pump

18

6666782

GASKET See Illustration CRANKCASE/ B27063 - oil pump

19

6680484

GASKET See Illustration OIL PAN/ NA6705 - drain plug

Выбрано товаров: 19