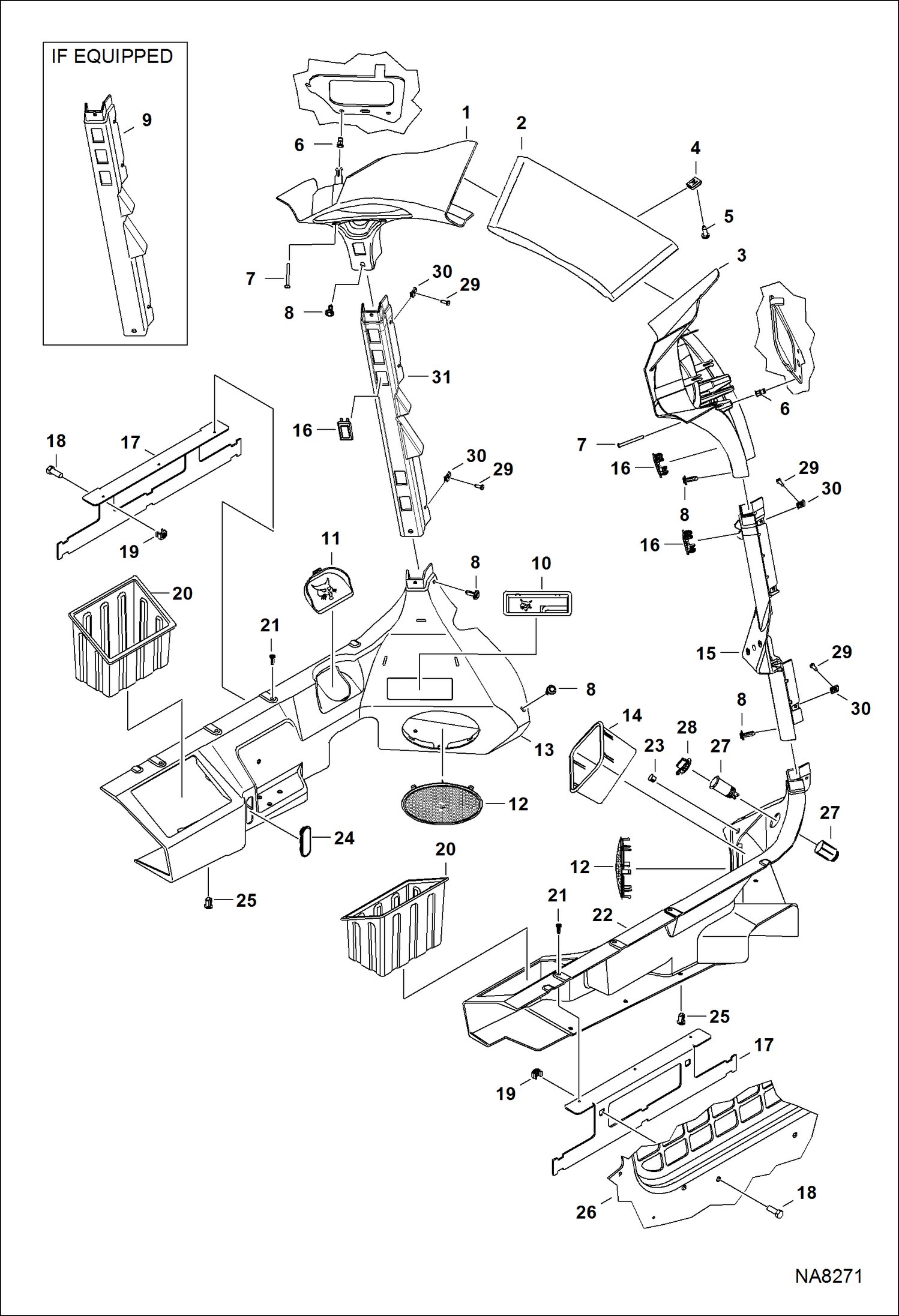
Запчасти Bobcat S-Series OPERATOR CAB (Cab Interior) (Deluxe) MAIN FRAME

Схема запчастей Bobcat S-Series - OPERATOR CAB (Cab Interior) (Deluxe) MAIN FRAME
FIT
1:1
100%

Артикул

Название

Примечание

Количество

1

7155792

PANEL, LH

2

7223412

PANEL, DASH

3

7155791

PANEL, RH

4

7142762

CLIP

5

6669224

BOLT

6

6675033

INSERT

7

7165799

SCREW

8

7160382

RIVET, BIRD CAGE

9

7164348

COLUMN, FRONT LEFT

10

7165344

STORAGE

11

7165345

DOOR, COVER

12

7161939

GRILL

13

7155643

FENDER, PANEL L.H.

14

7154285

BOX, STORAGE

15

7206486

COLUMN, FRONT RIGHT

16

6665314

PLUG

17

7193021

BRACKET

18

17C616

BOLT 5

19

7149204

NUT

20

7145268

CONTAINER, STORAGE

21

7160381

RIVET, BIRD CAGE

22

7155642

FENDER, PANEL RH

23

7182942

PLUG

24

7165346

DOOR, COVER

25

7160383

RIVET, BIRD CAGE

26

CAB ASSY See Illustration OPERATOR CAB/ NA8270

27

6664223

OUTLET

28

6664224

CAP

29

6669224

BOLT

30

7142762

CLIP

Выбрано товаров: 30