Запчасти Bobcat S-Series CAMSHAFT POWER UNIT

Схема запчастей Bobcat S-Series - CAMSHAFT POWER UNIT
FIT
1:1
100%

Артикул

Название

Примечание

Количество

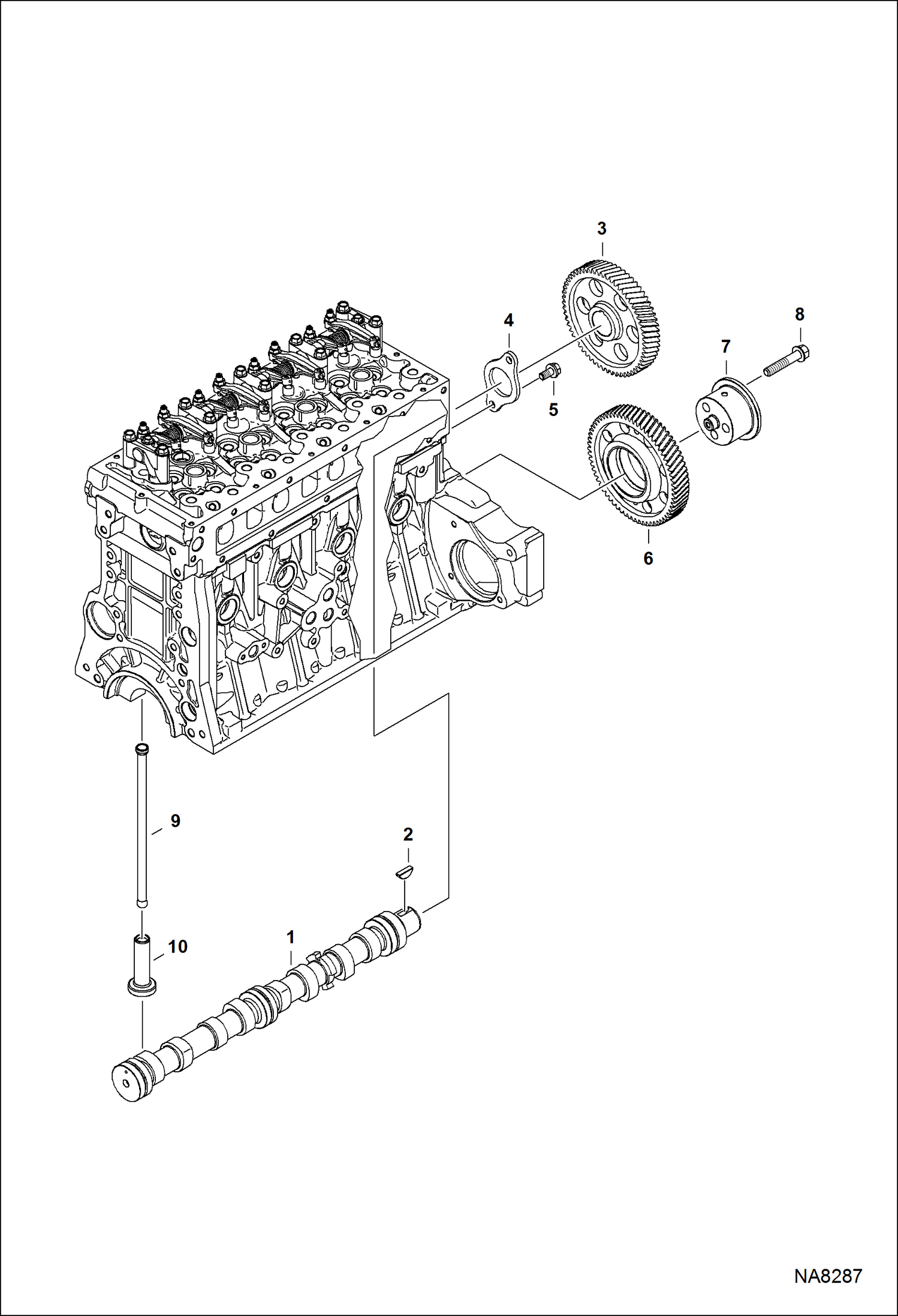
1

7030299

CAMSHAFT ASSY W/Ref. 2-4

1

7030300

CAMSHAFT ASSY

2

7030366

KEY, WOODRUFF

3

7030345

GEAR, CAMSHAFT

4

7030459

WASHER, THRUST

5

7030269

BOLT

6

7030344

GEAR, IDLE ASSY

7

7030446

SHAFT, IDLE ADJUST

8

7030276

BOLT

9

7030408

PUSHROD

10

7030452

VALVE, TAPPET

Выбрано товаров: 11