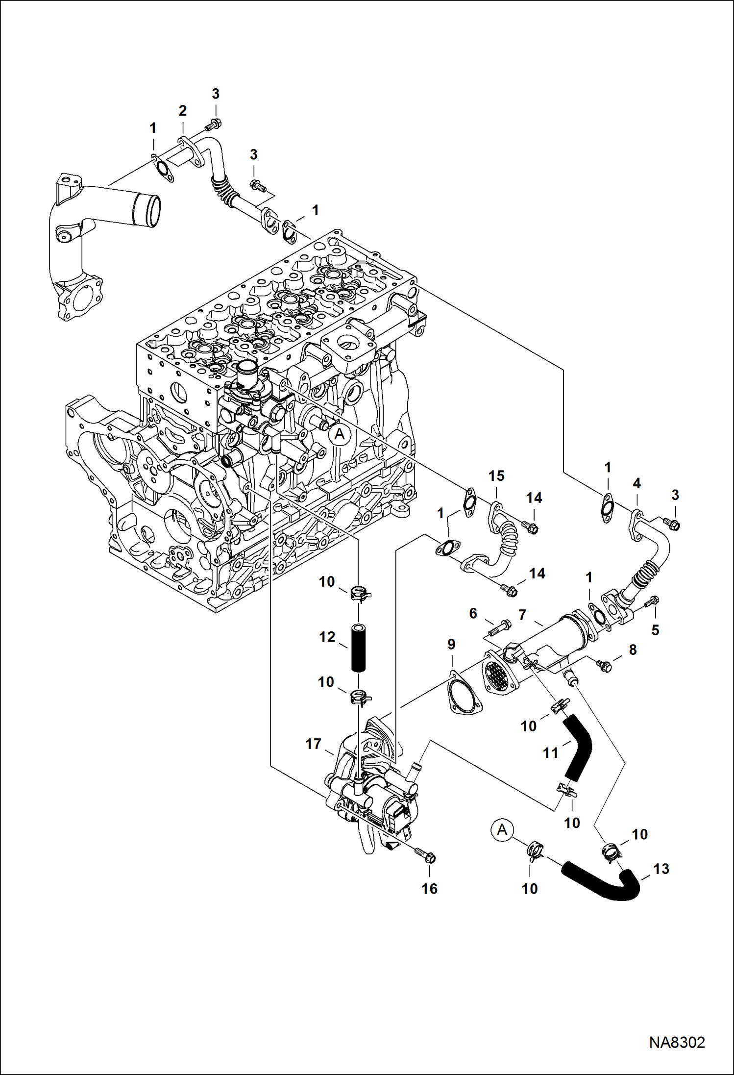
Запчасти Bobcat S-Series EGR & EGR COOLER POWER UNIT

Схема запчастей Bobcat S-Series - EGR & EGR COOLER POWER UNIT
FIT
1:1
100%

Артикул

Название

Примечание

Количество

1

7030331

GASKET

2

7030826

PIPE, EGR

3

7030272

BOLT

4

7030385

PIPE, EGR

5

7030268

BOLT

6

7030273

BOLT

7

7030319

COOLER, EGR

8

7030269

BOLT

9

7030332

GASKET

10

7030307

CLAMP, HOSE

11

7030355

HOSE

12

7030356

HOSE

13

7030354

HOSE

14

7030280

BOLT

15

7030386

PIPE, EGR

16

7030265

BOLT

17

7030456

VALVE, EGR

Выбрано товаров: 17